Как сделать волшебный уголок своими руками
Рассмотрим конструкцию двух возможных реализаций. В первом варианте из углового модуля будут выдвигаться отдельно ящики и полки по двум уровням, а во втором – выдвижными элементами будут цельные тумбы, в которых также можно выделить ящики либо использовать для хранения полки.
Рассмотрим пример расчета и чертежи волшебного уголка из ДСП для кухни для стандартного углового модуля с габаритами 1050х600 по столешнице и 1000х530 по корпусу.

Вариант первый: волшебный уголок для кухни с выдвижными ящиками
Общий чертеж, как сделать волшебный уголок из ДСП своими руками, который будем рассматривать пошагово, со всеми инструкциями по расчету деталей.

Сначала проектируем внутренний ряд ящиков. Для этого добавим заднюю стенку из ДСП вровень с передней фальшпанелью и вставим в полученную нишу два выдвижных ящика. Поскольку «смотреть» в них мы будем сбоку, есть резон сделать внешнюю боковину пониже.

Далее можно поставить полку под дно верхнего ящика. То есть алгоритм такой: убираем с полки, выдвигаем внутренний ящик вперед. Не очень удобно.

Поэтому добавляем планки для крепления направляющих (нижнюю можно закрепить ко дну, центральную нужно дополнительно зафиксировать поперечным упором, чтобы ее не выгнуло). Выдвижные ящики при этом тоже смещаются на высоту планок и утапливаются вовнутрь.

Высота планок, как и высота бортиков второго ряда, должна быть жестко привязана к высоте направляющих полного выдвижения. Для эстетичности можно использовать направляющие нижнего монтажа, чтобы не видно было самих направляющих по бокам первого ряда выдвижных элементов.

Фактически внешние выдвижные ящики представляют собой низкие полки с бортиками под какие-то кофры/коробки/корзины. Тут все понятно: чтобы попасть во внутренний ящик, с этой внешней полки нужно быстро снять хранимое. Удобнее всего, если это съемный короб. Поэтому лучше заранее подобрать какой-то кофр, пластиковый контейнер, в котором будет удобно хранить кухонные принадлежности, и сразу рассчитывать донышко этих низких ящиков под них.
Где разместить диван на маленькой кухне
В условиях ограниченной площади не приходится выбирать, где поставить софу. Чтобы облегчить решение проблемы, рекомендуется предварительно прикинуть план кухоньки и опробовать на листке разные проекты размещения предметов. Правильно сначала выбрать места для рабочей зоны, холодильника.

Кухня с уголком

Кухня с диваном под окном

Кухня с диваном плетеным

Круглый диван в большой кухне
Кухня с бежевым диваном

Кухня с диваном полукруглым
В хрущевках или однокомнатных квартирах зачастую приходится делать выбор: устанавливать полноценный обеденный комплект (стол и стулья) или обойтись только диванчиком и маленьким столиком. В малогабаритных помещениях не всегда есть достаточно места, чтобы экспериментировать с расстановкой мебели. Поэтому производители предлагают изделия различных форм:
«прямые» модели размещают вдоль одной стены. Посредством диванчиков (кушеток) несложно выделить различные зоны (рабочую и обеденную);

большой спрос приходится на угловые комплекты. При этом получается рассадить гостей и жильцов сразу с двух сторон стола. Главный плюс – используется «мертвая» зона угла. Длина и глубина элементов может отличаться (прямоугольный вариант мебели) или быть одинаковой (квадратный вид);
подчеркнуть нестандартную форму помещения с эркером можно полукруглым или круглым диванчиком. Легкие шторки на окнах привнесут уюта в комнату. Объемная мебель все же больше подходит для крупногабаритных квартир. Органично и элегантно смотрятся в кухнях овальные диванчики (новинки можно посмотреть в каталогах ИКЕА).


Маленький диван в бело-серой кухне

Диван на кухне с ящиками для хранения
Поставить диван возле выхода, мойки, плиты или холодильника – не лучшая идея. Также мебель не должна мешать передвижению жильцов или закрывать проходы. Комфорт сидящих также важен, поэтому уместно приобретать изделия без подлокотников.

Диван в маленькой кухне в бежевых тонах

Кухня с белым диваном

Уютные диваны на кухне
Какой делать
Сделать кухонный уголок возможно в разных видах исполнения. Главные требования к кухонному уголку – компактность, удобство (эргономичность) и гигиеничность в условиях кухни. Нам еще нужно добиться максимальной экономии денежных средств, материалов и труда, работая общедоступным инструментом. Исходя из этого, выберем, какой из них можно сделать проще и лучше.
Основные виды кухонных уголков показаны на фото. Поз. 1 – эркерный уголок, круглый или граненый. Каждому седоку на уровне колен отводится оптимальная ширина сиденья ок. 400-450 мм. Эркерный уголок исключительно удобен и уютен, но, увы, сложен, дорог и требует для себя обширной кухни.

Виды кухонных уголков
В кухню современной квартиры повыше среднего класса поместится полуэркерный уголок: боковые секции прямые, а ширина угловой на уровне колен 200-300 мм, поз. 2. Человеку средней комплекции сидеть в углу полуэркерного уголка почти так же удобно, как в эркерном. В кухне обычных габаритов чаще всего вместо полуэркерных ставят уголки со скошенным углом; в них на колени седока приходится 150-200 мм, поз. 3. Особо уже не повертишься, но, спокойно сидя, мыслей, куда коленки девать, не возникает.

Кухонный уголок со спальным местом
Любители в малогабаритную кухню чаще всего делают уголки прямые, поз. 4, с клином спинки в углу, поз. 5, и со скошенной спинкой, поз. 5. Их удобство, технологическая сложность и стоимость в этом ряду нарастают, но у прямых кухонных уголков есть общее положительное свойство: если вместо пары табуретов с длинной стороны кухонного стола скамья высоты такой, как и сиденья уголка, то, отодвинув стол и придвинув скамью, можно получить спальное место шириной 600-850 мм. Очень дорогие и снабженные сложными механизмами фирменные кухонные уголки со спальным местом ничуть не удобнее, см. рис. слева. Свойством трансформации в спальное место без дополнительных приспособлений обладает и уголок со скошенным углом, если углы сиденья комплектной лавки соотв. образом скошены.

Неудобный кухонный уголок
Примечание: на рис. справа извращенное порождение современного маркетинга – дорогой прямой кухонный уголок. На самом деле прямой уголок самый неудобный из всех. Намного неудобнее ближайшего родственника – уголка с клином в спинке. Прямой кухонный уголок хорошо подходит разве что сажать в угол нежелательного гостя. Но уйти по-английски тот не сможет, придется отодвигать хозяев.
Уголки со скошенным углом и спинкой часто дополняют столиком и/или баром в углу, поз. 7-9. Первые два не вариант: доставать что-либо из-за спины неудобно, а столкнуть или опрокинуть ненароком легко. Если уж хозяева твердо подвержены предрассудкам и сажать в угол никого не хотят, то лучше в углу оборудовать мини-сервант с ларем и баром, как на поз. 9.
На поз. 6, 7 и 8 показаны уголки с т. наз. висячим углом, т.е. не имеющим отдельной опоры. Кухонные уголки с висячими углами, выполненные из ЛДСП, ничуть не менее прочны и долговечны, чем с опорными, но в производстве дешевле и технологичнее. Однако они не могут быть модульными (см. ниже), т.к. изначально выполняются только правыми или левыми. Для потребителя же дешевизна их кажущаяся, т.к. уголок с висячим углом не может транспортироваться собранным и требует сборки на месте.
Модульные уголки
Кухонные уголки из не соединенных между собой предметов мебели (модульные, см. рис.) хороши в производстве и продаже: нет нужды делать правые и левые исполнения. Ценят их и любители часто переставлять мебель; модульные кухонные уголки неплохо смотрятся в квартирах-студиях лаконичных стилей, таких как лофт, хайтек, минимализм. Но функционал с эргономикой у модульных кухонных уголков, попросту говоря, никакие – ничего в них не положишь, и сидеть в углу неудобно.

Модульные кухонные уголки
Примечание: модульными выполняются и кухонные уголки традиционного вида, из 3-х отдельных предметов – пары диванов и угла. Правыми или левыми их расставляют, поворачивая угол на 90 градусов, а один из диванов на 180. Однако такие уголки дороже, т.к. требуется лишний материал на угол и его конструкция усложняется. В домашних условиях сделать модульный кухонный уголок очень трудно, т.к. к требуемой точности сопряжения деталей в пределах 1-го предмета (см. далее) добавляется и точность сопряжения предметов между собой.
Делаем своими руками
Но если существующие на рынке модели вас не устраивают, можно попробовать смастерить его своими руками, конечно, если у вас есть хоть какой-то опыт владения плотницким инструментом.


Первоначально нужно нарисовать подробную схему со всеми размерами своей будущей мебели. Она будет состоять из трех основных элементов: угла и двух приставных диванов.


Для работы потребуется:
- Фанера;
- Бруски 5х5 см;
- Обивочная ткань или дерматин;
- Поролон;
- Краска или морилка, лак;
- Дрель;
- Ножовка по дереву;
- Строительный степлер;
- Лобзик;
- Молоток;
- Рулетка, карандаш;
- Петли для откидывания сидений;
- Саморезы, гвозди;
- Двухсторонний скотч.


Из брусков делаем каркас. Красим и покрываем лаком. Ждем, пока высохнет. Раскраиваем поролон и ткань для обивки. Обтягиваем сидения материей, вкладывая поролон для мягкости, крепим ткань к фанере при помощи строительного степлера. Удобно для работы поролон закрепить к основанию сидения и спинки при помощи двухстороннего скотча, тогда он и во время эксплуатации не будет сползать. Сидение готово и крепится к каркасу при помощи саморезов. Но нужно быть предельно осторожным и подобрать длину шурупов так, чтобы они не вылезли с другой стороны, и в дальнейшем не впивались в вас при сидении на диване.


Часть №1 – длинный диван
Начнем монтаж с длинного диванчика. Для примера возьмем конструкцию с такими показателями: длина составит 1 метр, высота – 80, а глубина – 40 сантиметров. Для начала вам нужно вырезать из ДСП все детали будущего дивана согласно чертежу и замерам. Перед вами будут находиться такие детали:
- Две боковины.
- Дно ниши (каркаса).
- Лицевая часть ниши.
- Боковая часть ниши.
- Сиденье.
- Спинка.
- Упорная часть для планки.
- Планка для сиденья.
- Планка для верхней части.
Для примера, приведем некоторые замеры деталей. Сиденье у нас будет размером 96Х30, спинка 96Х26, а лицевая часть ниши 96Х31 сантиметр. Понятно, что боковины будут размером 80Х40 см. Они же являются основными деталями. Сборку дивана начнем именно с боковин.
Сборка длинного дивана
- Первое, что мы делаем, отметки для фрезеровки, учитывая основные размеры, ширину, высоту и глубину вашего дивана. Затем намечаем отверстия для шурупов и места состыковки с другими деталями. Если вам будет сложно это сделать с первого раза, потренируйтесь на фанере или отдельном листе ДСП.
- Далее боковушки нужно оклеить кромкой с помощью клея, а на нижние торцы прикрутить мебельные подпятники. Последние крепятся с помощью саморезов.
- Теперь нужно сконструировать нишу, она же ящик, который будет являться ребром жесткости. Вам понадобятся два листа для боковин и один – для днища. Дно ниши также можно выполнить из фанеры. Согласно замерам, вырезаете куски и соединяете детали между собой саморезами. По сути, вам нужно сделать обычный ящик.
- Далее понадобится планка сиденья – эта деталь нужна, чтобы закрепить подъемное сиденье с помощью металлических петель. Держится планка на шкантах. Размеры нашей планки будут составлять 96Х100 сантиметров.
- Также вам понадобится упорная планка с размерами 96Х60 см. Когда вы будете делать замеры упорной планки, отнимите 2 сантиметра, так как она будет дополнительно обтягиваться обивкой и наполнителем.
- Далее изготавливаете спинку согласно вашим замерам и крепите ее к боковинам с помощью шкантов.
- Затем крепите к спинке упорную и верхнюю планки.
- Теперь нужно закрепить уголки. Самый бюджетный вариант – это использовать деревянные бруски, которые вырезаны под углом. Но лучше всего использовать металлические – они надежно закрепят конструкцию и их можно поворачивать под углом в 5 градусов.
Основная конструкция собрана, дальше можно приступить к обивке дивана и смягчении сиденья и спинки. Вам понадобится два куска поролона, который вы вырезаете под размеры сиденья и спинки, а также два куска обивочной ткани. Поролон лучше всего посадить на клей, а ткань для обивки закрепить степлером. Будьте внимательны, загибая ткань на углах – сначала нужно собрать всю ткань внутрь, а затем закрыть боковыми кусочками.
На что следует ориентироваться при выборе модели уголка
При приобретении готовых изделий и при изготовлении мебели своими руками необходимо учитывать ряд факторов.

Современная классификация диванов
Размеры помещения
Предметы кухонного интерьера могут различаться габаритами и количеством посадочных мест. Подбирать конфигурацию уголка необходимо с учетом планировки кухни, ее размера и остальной обстановки. Установленный уголок не должен служить препятствием для комфортного пребывания в этом помещении. Удобный вариант для кухонь с дефицитом свободного места — уголок со столом-трансформером. В качестве дополнительных посадочных мест при необходимости можно использовать раскладные табуреты.

Табурет раскладной
Варианты кухонных уголков:
угловые модули для размещения четырех человек;

Схема углового модуля для четырех человек
модель для компании из шести человек;

Схема модели для шести человек
компактная модель для троих обедающих;

Уголок для троих человек
модуль со спальным местом.

Уголок со спальным местом
Количество членов семьи
Мебель, установленная на кухне, должна позволять с комфортом размещаться за обеденным столом всем проживающим в доме. Также необходимо учитывать возможность приезда гостей. Конечно, если для таких посиделок не предназначена столовая. Нужно учитывать, что человеку средней комплекции требуется не менее 60 см для комфортного размещения за столом.

От количества членов семьи будут зависеть размеры мебели
Удобство эксплуатации
Уголок может быть жестким или иметь под обивкой мягкий наполнитель. В первом случае сидеть на диванчике будет не слишком удобно, тем более — длительное время, зато он гораздо дольше прослужит. Помимо того, что обивка мягких моделей быстрее изнашивается, сам наполнитель имеет срок эксплуатации (у пенополиуретана — 10 лет, у поролона (его эластичной модификации) — 3 года). К тому же жесткие модели менее подвержены загрязнениям. Такие системы, как правило, обходятся дешевле, чем более комфортные аналоги. А решить вопрос излишней жесткости можно при помощи подушек.

Пример жесткого уголка
Наличие мест хранения
Выпускаемые модели позволяют не только использовать мебель по прямому назначению, но и максимально оптимизировать занимаемое пространство. Наличие ниш под поднимающимися сидениями, в которых можно хранить домашний скарб и продукты, или выдвижных ящиков очень выручает, особенно владельцев малогабаритных помещений.

Кухонный уголок с местами хранения
Материал, из которого изготовлен корпус
Ценителям натуральных материалов и уюта в интерьере подойдут уголки, произведенные из массива древесины. Они отличаются привлекательностью и экологичностью, но, как правило, довольно дороги. Аналогом дерева выступают ЛДСП и ЛМДФ. Эти, более дешевые и не всегда безопасные для здоровья материалы, в настоящее время чаще всего и используются при производстве предметов мебели. При желании можно приобрести и уголок, изготовленный из металла. Металлические конструкции характеризуются долговечностью, прочностью и стойкостью к внешним воздействиям, однако их можно устанавливать не во все интерьеры. Часто при производстве используется комбинация различных материалов.

Металлический уголок для кухни

Современный кухонный уголок
Материал, используемый для обивки
Выбирать подходящий вариант следует, ориентируясь на дизайн помещения и функциональность покрытия. Для отделки могут использоваться натуральная или искусственная кожа. В последнее время синтетический вариант по своему качеству практически не уступает оригиналу, однако стоимость его существенно ниже. Синтетическая ткань с пропиткой также достаточно легко очищается от загрязнений, не выцветает на солнце и не притягивает пыль. За эстетично выглядящими и приятными на ощупь тканями с ворсом не так легко ухаживать. Красивый жаккард, внешне напоминающий гобелен, или замша может дорого стоить. Хороший вариант — тефлоновое покрытие на тканевой основе. Интересны модели с комбинированием отделочного материала.

Обивка дивана может быть разной
Стиль оформления кухни
Этот фактор тесно связан с двумя предыдущими. Если кухня оформлена в стилях хай-тек или техно, можно делать выбор в пользу металлических конструкций. Для классических кухонь подойдет деревянная мебель
Важно одно — установленный уголок не должен выбиваться из общей концепции отделки и обстановки

Стиль оформления кухни также очень важен
Подготовка к работе
В первую очередь нужно позаботиться об инструменте и крепежах. Ничего особо сложного не понадобится, но некоторые нюансы, все же лучше учесть заранее, чтобы потом не выбегать из кухни за каждой вещью. Кроме стандартного набора (ножницы, рулетка, карандаш, мебельный степлер со скобами №6) могут пригодиться:
- клей;
- наждачная бумага, скребок или просто нож;
- лист фанеры;
- имбусовый ключ либо крестовая отвертка (зависит от типа болтов, на которые собран каркас дивана).
Уберите подальше из обеденной зоны все неустойчивые и бьющиеся предметы – освободите себе плацдарм для работы. Обязательно застелите кухонный пол пленкой, так как трухи и высохшего клея может высыпаться очень много. После этого снимите с каркаса мягкие сиденья и спинки, которые необходимо перетянуть – с ними и будем дальше заниматься.
Старую обивочную ткань можно снять, просто вытащив скобы расшивателем (он же антистеплер). После этого убирается поролон, а само основание тщательно очищается от его остатков и клея. На этой стадии также нужно внимательно осмотреть весь каркас кухонного дивана, жесткие элементы сидений и спинок – возможно, им потребуется ремонт или даже частичная замена там, где фанера треснула. Поцарапанные доски, которые не скрыты обивкой лучше сразу зашлифовать и вскрыть лаком, чтобы они больше не портили внешний облик кухни.
Преимущества кухонных уголков
Кухонный уголок, фото которого можно увидеть ниже, будто создан для того, чтобы собрать за столом всю семью или компанию самых близких друзей. Именно поэтому данный предмет интерьера привлекателен и всегда востребован. Благодаря тому, что кухонные уголки бывают разных конструкций, их можно вместить в любую, даже самую крохотную кухоньку.

В основном, кухонный уголок состоит из одного или двух диванчиков, двух табуреток и одного стола. Несмотря на столь внушительный список предметов, сегодня можно приобрести кухонные уголки для маленькой кухни – они прекрасно разместятся на самой скромной кухоньке. Чаще всего в диванчиках есть срытые вместительные ниши, где можно хранить разнообразные предметы и утварь. Даже самые маленькие кухонные уголки могут заменить дополнительный шкаф на кухне. При этом вы сэкономите место и заведете симпатичный диванчик в качестве отличного и уютного места для приятного времяпрепровождения.
Благодаря отсутствию подлокотников и современному дизайну, кухонный диванчик вполне может посоревноваться в элегантности с диваном из гостиной.

Если вы решили самостоятельно изготовить кухонный уголок на кухню, то нужно присмотреться к обивке диванчика. Именно обивка способна создать оригинальную и интересную идею – без нее мебель не такая уж и привлекательная. Сейчас немалым спросом пользуется мягкая обивка, микрофибра и искусственная кожа.
Стоит также учитывать, что если стол для кухни изготавливается из натурального дерева, а не из ДСП и пластика, то лучше всего сделать и кухонный уголок из дерева.
Выбираем тип кухонного уголка
Уголки для кухни бывают стационарными и раздвижными.
- Стационарные. Визуально это цельная конструкция, но отдельные ее элементы можно отделять и переставлять, видоизменяя кухонный уголок. Основание, на которое крепятся элементы, может быть одностороннее, двустороннее, прямое, «Г-образное». Поэтому, прежде, чем приступить к планировке и строить чертеж кухонного уголка, нужно определится, какая конструкция вам необходима.
- Раздвижные. Такие диванчики увеличивают полезную площадь, поэтому их можно использовать как еще одно спальное место в квартире, благодаря выдвижному месту. В основном такая мебель оснащена механизмом типа «дельфин».
Стационарные уголки строить намного проще – с ними справится даже тот, кто не имеет большого опыта в «мебельном деле».

Выбираем обивку для кухонного уголка
Сидеть на деревянном жестком табурете, разумеется, не так приятно, как на мягком и удобном стуле. В настоящее время для обивки кухонных уголков применяют самые разнообразные материалы, среди них:
- Искусственная кожа. Самым популярным материалом, безусловно, является кожзам, так как он не только практичен и удобен, но и весьма экономичен и неприхотлив. К тому же это настоящая находка для кухни, так как эта комната ежедневно подвергается влиянию влажности, а также различным источникам загрязнения, а кожзам, ко всему прочему, устойчив к внешним раздражителям и царапинам. Уход за такой обивкой вовсе не сложен – достаточно почистить диванчик любым нейтральным моющим средством. При этом даже после влажной уборки кожзам сохраняет первоначальную форму.
- Жаккард. Еще один практичный вариант для обивки диванчика на кухню, так как синтетические волокна замечательно пропускают воздух, отталкивают воду и грязь, практически не электризуются, не вызывают аллергии.
- Велюр. Ворс этой такни капризен как в уходе, так и по отношению к изменению освещенности. Велюр может «засаливаться» — эти блестящие места имеют совершенно непрезентабельный вид.
- Флок. Данный материал состоит из нейлона и хлопка – их удерживает вместе специальная клеевая основа. Благодаря более прочному ворсу, который более гуще и прочнее, фок для обивки применяют намного чаще.
- Микрофибра. Благодаря микроволокнам хлопка или полиэстера, которые имеют ворсистую поверхность, яркая микрофибра износоустойчива и проста в уходе.

Выбираем наполнитель для мягких сидений
Чтобы сидения были упругие, но, в то же время, мягкие и удобные, необходимо использовать хороший наполнитель. Есть несколько видов групп:
- Е (ST) – нормальная жесткость наполнителя.
- ЕL – повышенная жесткость наполнителя.
- HL – жесткий наполнитель
- HR – высокая упругость наполнителя.
- ER – мягкий наполнитель.
Выбирая наполнитель, помните, что чем он мягче, тем удобнее будет сидеть. Если вы планируете использовать уголок еще и в качестве дополнительного спального места, то необходимо ставить пружины. Это сделает его комфортнее и долговечнее.

Уголки для фотографий. Скрапбукинг. Искусство оформления фотографий и фотоальбомов
Уголки для фотографий
Отличным украшением фотографий могут стать нет только подложки, но и уголки, которые к тому же играют роль крепления. Удобны они и тем, что фото всегда можно убрать и заменить новым снимком.
Для получения самого простого уголка из дополнительной бумаги нужно вырезать прямоугольник, найти середину длинной стороны и отогнуть половинки под углом 45° каждая (в итоге должен получиться угол 90°). Выступающие концы бумаги необходимо обрезать, после чего вырезать с лицевой стороны небольшой треугольник. Теперь можно приклеить готовый уголок к основе (рис. 55).
Рисунок 55. Схема изготовления простого уголка
Простой уголок прекрасно смотрится из цветной и узорной бумаги, при этом он станет более нарядным и интересным, если три его стороны (одну длинную и две короткие) обрезать фигурными ножницами, а затем сложить и приклеить.
При наличии углового фигурного дырокола (угловой панч) легко сделать очень красивый уголок с ажурным краем и фигурной вырубкой. Для этого нужно заготовить прямоугольник нужного размера, наметить середину на одной из длинных сторон.
Дыроколом выполнить прокол, совмещая середину стороны и вершину уголка. Стороны прямоугольника при этом могут быть как прямыми, так и фигурными (рис. 56).
Рисунок 56. Фигурный уголок с вырубкой
Поделитесь на страничке
Следующая глава >
diy.wikireading.ru
Кухня с диваном в различном стилистическом оформлении
Наиболее современное направление в дизайне, на сегодняшний день – это минимализм. Мы уже приводили примеры в нашей статье таких кухонь. Подчеркнем лишь, что минимализм предполагает строгие линии, глянцевые поверхности, кухонный гарнитур со встроенной техникой, минимум декорирования и максимум функциональности.
Кухня с диваном в стиле модерн тоже имеет своих поклонников. Основными принципами оформления являются следующие: сглаженные изогнутые формы мебели с преобладанием пластика и стекла; использование ярких цветов кухонных фасадов и другой мебели, в частности, диванов; минимальное использование декоративных элементов.
Очень популярен сейчас эко стиль. Дизайн кухни с диваном (фото смотрите в ниже) в этом направлении предполагает наличие натуральных компонентов в интерьере. Это касается как отделки, так и кухонного гарнитура и мягкой мебели. Здесь обязательно должен присутствовать зеленый цвет, которым могут быть дополнены светильники, фартук и прочие элементы, а диван можно удачно украсить зелеными декоративными подушками.
Определяемся с размерами
Сначала наш мягкий кухонный уголок нужно придумать: определиться с размерами, особенностями конструкции, построить чертежи и схемы раскроя. Работать будем с недорогими плитами ДСП – их легко резать даже ручным инструментом, а купить несложно в любом строительном магазине. Как вариант, распил можно заказать ближайшему цеху в вашем городе, предварительно подготовив спецификацию на корпуса мебели.
Габариты мягкой мебели лучше всего определить на плане кухни, начерченном в масштабе (можно использовать миллиметровку). Здесь главное «поставить» уголок так, чтобы проход между обеденной группой и другими предметами обстановки был не меньше 60 см. Остальные параметры тоже выбираются произвольно, но для ориентира используйте такие цифры:
- Высота по спинке может быть любой, особенно если она фигурная, как на фото дизайнерской мебели. Но наиболее комфортным считается кухонный уголок «ростом» 85-95 см.
- Оптимальная глубина сиденья 45-50 см, только учтите, что на спинке еще будет толстый слой поролона, который украдет несколько сантиметров. Так что заготовки из ДСП окажутся немного шире.
- Общие габариты мебели по длине и ширине вы выбираете самостоятельно, но если площадь позволяет, достаточно будет сделать стандартный уголок 1,2х2 м.

Уголок из ДСП
Такая мебель состоит из трех частей: двух диванов разной длины и соединительной части. Для изготовления потребуется такой набор инструментов и материалов:
- электролобзик для распила листов ДСП;
- металлические соединительные уголки;
- самоклеющаяся пластиковая лента для торцов деталей из ДСП;
- столярный клей;
- карандаш или маркер для отметок;
- дрель и сверла;
- ножницы;
- шканты для фиксации стенок;
- конфирматы;
- петли для сиденья;
- пластиковые ножки для установки уголка на пол;
- степлер для фиксации обивки к ДСП;
- линейка или рулетка;
- молоток, шуруповерт.

Для оформления кухонного уголка выбирают стойкие материалы, устойчивые к влаге: синтетику, микрофибру или кожзаменитель. Самыми популярными наполнителями считают поролоновую или пенополиуретановую основу. Второй материал эластичнее и долговечнее, но стоит на порядок дороже.
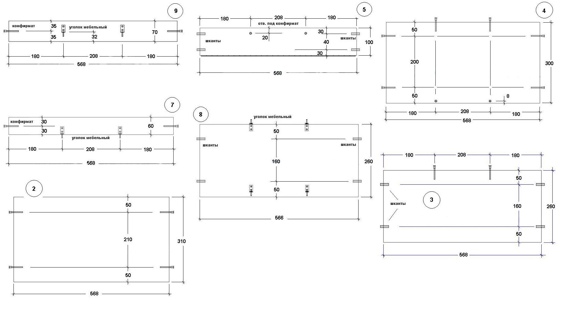
Сбор длинного дивана
Эта часть мебели состоит из спинки, сиденья, ниши и боковин. Для деталей с обивкой берут листы шлифованной ДСП. Для остальных частей используют ЛДСП.

Сборку корпуса дивана выполняют по инструкции:
- Размечают боковины и вырезают по чертежам в двух экземплярах. Отмечают и высверливают места для конфирматов и шкантов.
- Аналогично подготавливают остальные части дивана по схеме.
- Шероховатые торцы ДСП оклеивают пластиковой лентой, устраняют неровности и острые углы.
- К торцам со стороны пола прибивают пластиковые ножки или фиксируют саморезами.
- Соединяют части ниши и фиксируют между собой конфирматами.
- К стенке ниши крепят планку сиденья с петлями. Они обеспечат возможность поднимать сиденье и использовать внутреннее пространство для хранения. Устанавливают сиденье.
- Нижнюю и верхнюю упорные планки соединяют металлическими креплениями со спинкой.
- Все части дивана соединяют с боковинами шкантами. После проверки правильности выполнения работы детали скрепляют конфирматами.
Чтобы сиденье и спинка были мягкими и удобными, выполняют обивку. Для этого ножницами или ножом вырезают два полотна поролона. Для спинки режут по размерам заготовки по длине и запасом в 4 см по ширине. Сиденью нужен небольшой заступ на 2 см для загиба у края. Запасные части поролона закроют торцы с лицевой стороны, и углы будут мягкими. Наполнитель крепят к ДСП клеем.
Ткань кроят с запасом, чтобы закрепить на изнаночной стороне плиты. Материал фиксируют степлером на одной длинной стороне, слегка натягивают ткань и крепят ее скобами по противоположной части. Затем ткань выравнивают и закрепляют по коротким сторонам. Натяжка должна быть равномерной, без видимых перепадов.
Сбор короткого дивана

Процесс работы повторяет предыдущий этап, но по отдельным чертежам. Боковины короткой и длинной частей совпадают по размерам.

Угловая часть

Соединительный элемент играет важную роль, так как делает из двух мягких диванов полноценный кухонный уголок.
На листе ДСП размечают заготовки для планок-упоров и спинки, основу для сиденья, боковины части.

Основные этапы работы по сборке заключаются в следующем:
- Соединяют между собой боковины и центральную часть.
- Упоры крепят металлическими уголками к боковинам.
- Выполняют обивку сиденья.
- Соединяют все детали между собой.
Для окончательной сборки мягкого уголка необходимо соединить диваны с угловой частью конфирматами. Проверяют точность сборки и надежность всей конструкции.



































