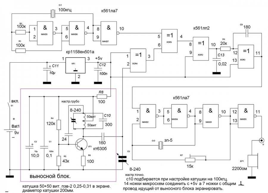
Схема металлоискателя Pirat:


Микросхема NE555:

Транзистор IRF740:

Переменные резисторы:





Вот как должно получится:






Для К157УД2 лучше поставить переходную панельку, да и для NE555тоже можно поставить, не помешает!))








Испытания дама проводил на средней катушке диаметром 15 см. Так вот золотое кольцо по воздуху ловило на 18см, ножницы 30см. настольная лампа 50см. что достаточно не плохо
Схема металлоискателя «Пират», очень проста и понятна даже начинающим радиолюбителям. Она состоит из двух микросхем, которые не нужно прошивать или программировать. Собрать её очень легко, нужно просто припаять все детали в нужные места!))
Внимание! Делаю на заказ МД «Пират», пишите в скайп kavinskiy или пишите комментарии! Спасибо!
Питается металлоискатель pirat, от 12 вольт, можно использовать обычные батарейки, но лучше конечно взять хороший аккумулятор, к примеру от шуруповёрта. Лично я использую именно её, точнее те аккумуляторы, которые в ней находятся.
Поисковая катушка металлоискателя Pirat, намотана на оправе 190 мм. и содержит 25 вирков, провода ПЭВ 0.5 мм.
Характеристики металлоискателя:
Потребляемый ток 30-40 мА
Реагирует на все металлы, дискриминации нет
Чувствительность 25 миллиметровая монета — 20 см
Крупные металлические предметы — 150 см
Все детали не дорогие и легкодоступные.
Необходимые детали для сборки:
pirat_detali
Схема металлоискателя Pirat:
НА УД2 (1)
В схеме используются 2 микросхемы (NE555 и К157УД2). Они достаточно распространенные. К157УД2 — можно выковырять из старой аппаратуры, что я с успехом и сделал.
pirat_microshema1
Микросхема NE555:
NE555N
Транзистор IRF740:
pirat_tranzistor_1
Переменные резисторы:
pirat_rezistor_1
Конденсаторы 100нФ обязательно брать пленочные, вот такие, вольтаж берем как можно меньше:
pirat_condensatori
Распечатываем эскиз платы на простой бумаге:
pirat_pechatka_1
Вырезаем под ее размер кусок текстолита:
pirat_pechatka_2
Плотно прикладываем и острым предметом продавливаем по местам будущих отверстий:
pirat_pechatka_2
Вот как должно получится:
pirat_pechatka_3
pirat_pechatka_4
pirat_pechatka_5
После сверления, нужно прочертить дорожки. Можно сделать это через фоторезист, ЛУТ или просто прорисовать их Нитро лаком простой кисточкой. Дорожки должны получится точно такие же как на бумажном шаблоне. И травим плату.
pirat_pechatka_6
pirat_pechatka_7
pirat_pechatka_8
Для К157УД2 лучше поставить переходную панельку, да и для NE555 тоже можно поставить, не помешает!))
pirat_montag_1
pirat_montag_2
pirat_montag_3
Для намотки поисковой катушки нужен медный провод диаметром 0,5-0,7мм
pirat_provod
Я наматывал катушку на простой кастрюле, диаметров 190 мм. после чего, обмотал всё изалентой:
pirat_katuschka
По схеме катушка диаметром 19 см и содержит 25 витков. Сразу замечу, что катушку нужно делать такого диаметра исходя из того, что вы будете искать. Чем больше катушка тем глубже поиск, но большая катушка плохо видит мелкие детали. Маленькая катушка хорошо видит мелкие детали, но глубина не большая.
Я сразу намотал себе три катушки 23см(25 витков), 15см(17 витков) и 10см(13-15 витков). Если нужно накопать металлолом, то ставим большую, если на пляже мелочевку искать, то катушку меньше, ну сами разберетесь.
pirat_katuschka_3
pirat_katuschka_2
Катушка должна быть, как можно ровной. Динамик взял первый попавшейся.
Теперь все подключаем и пробуем схему на работоспособность.
После подачи питания, нужно подождать 15-20 секунд пока схема прогреется. Ставим катушку подальше от любого металла, лучше всего подвесить в воздухе. После начинаем крутить переменный резистор 100К пока не появятся щелчки. Как только щелчки появились крутим в обратную сторону, как только щелчки пропадут хватит. После этого, так же настраиваем резистор 10К.
На счет микросхемы К157УД2. Кроме той, что я выковырял, я еще 1 попросил у соседа и две купил на радио рынке. Вставил купленные микросхемы, включил прибор, а он отказался работать. Долго ломал голову, пока просто не поставил другую микросхему (ту что выпаял). И все сразу заработало. Так что вот для чего нужна переходная панелька, что бы подобрать живую микросхему и не мучатся с выпаиванием и впаиванием.
Все готово, осталось только сделать штангу и поместить плату в корпус и на поиски кладов)
pirat_gotoviy
И на последок, кидаю видео работы пирата!
Испытания дама проводил на средней катушке диаметром 15 см. Так вот золотое кольцо по воздуху ловило на 18см, ножницы 30см. настольная лампа 50см. что достаточно не плохо для такого метало детектора.
Скачать печатную плату в формате Sprint-Layout можно здесь!
для такого метало детектора.
Конструкция и принцип работы
Схема конструкции и компоновка деталей металлоискателя является традиционной для устройств подобного рода. Прибор представляет собой металлическую штангу, где на нижнем конце прикреплена катушка с обмоткой, а на верхнем – блок с электронной схемой и элементом питания.
Здесь учитывается важная деталь, которая делает походы с таким устройством более удобными – выбор места положения на штанге блока с электронной схемой. Это положение должно позволять кладоискателю удобно держать в руках штангу и управлять положением катушки относительно поверхности земли.
Некоторые сборщики предпочитают, чтобы индикация звуковым сигналом при изменениях в электромагнитоном поле подавалась не от внешнего динамика, а от наушников. Конструкция блока предоставляет подобную возможность – в нем имеется стандартный звуковой разъем формата mini-jack (3.5 mm).
Металлодетектор «Пират» работает с применением импульсной технологии. Она обеспечивает отличные для техники такого уровня показатели в плане чувствительности.
Электронную схему возможно собрать, заменив микросхемы обычными транзисторами. Правда, транзисторный вариант может требовать особых настроек для правильной работы, что доступно только наиболее опытным мастерам радиотехники. Поэтому транзисторная схема прибора применяется не слишком часто.
Создание
Металлоискатель своими руками, подробная инструкция:
- Первым делом делается печатная плата на принтере. Ее нужно распечатать и протравить на медной плате. Для этого используется метод перевода тонера на плату. Принцип заключается в следующем: нужно распечатать зеркальное изображение платы на принтере, после чего перенести его на медную часть платы утюгом. В процессе тонер будет действовать как маска, которая сохранит дорожки, а другие части растворятся в химическую ванну. Вот как выглядит схема платы.
- Дальше следует наполнить плату металлоискателя имеющимися транзисторами и конденсаторами. Сперва требуется припаять 6 NPN транзистора. Потом припаиваются другие элементы, как показано на схеме.
- Теперь поподробней о схеме. Вот как припаиваются 6 транзисторов.
- После этого нужно добавить два конденсатора, как на фото ниже.
- Теперь плата металлоискателя заполняется полиэфирными конденсаторами и резисторами. Сперва добавляются 5 конденсаторов, емкость которых 0,1μF. После чего в ход идут другие конденсаторы (0, 01μF). Упрощает задачу то, что они не являются поляризованными, а значит, к плате они припаиваются в любом направлении ножек.
- Осталось добавить остальные резисторы.
- Создание платы продолжается. Вот как он должен выглядеть в готовом виде:
- Теперь, когда плата готова, можно намотать ветки на катушки металлоискателя. У нас их будет 2, они часть цепи LC генератора. Первой будет эталонная катушка. Для ее создания используется провод, сечением 0,4 мм. Нужно отрезать кусок деревянного дюбеля, чтобы он получился 5 см длиной и 13 мм диаметром. В нем сверлится три отверстия, через которые будут проходить проводки. Один из них проходит через середину продольно, а другие два на каждом конце перпендикулярно. Медленными и осторожными движениями нужно намотать максимальное количество витков на дюбеле в один слой. Не нужно наматывать до конца, требуется оставить 3–4 мм древесины на концах.
- Не стоит крутить провод, хотя это кажется логичным. Требуется наматывать по такой технологии: провод остается на месте, а вращается сам дюбель. Он будет наматывать провод на себя, как лебедка.
- Теперь следует протянуть каждый конец проводка в отверстия, сделанные перпендикулярно, после чего один из концов сквозь продольное отверстие. Осталось закрепить провод лентой после завершения работ. Дабы снять покрытие на торцах катушки, которая открыта, нужно использовать наждачку.
- Теперь можно делать поисковую катушку металлоискателя. Она будет большая, чтобы максимально улавливать металл. Для ее создания потребуется вырезать держатель. Он делается из фанеры, толщина которой 6–8 мм. Ниже на рисунке будет схема, благодаря которой можно выполнить работу. Достаточно нанести на фанеру разметку и используя лобзик или ножовку вырезать детали конструкции.
- После чего взяв все тот же провод, сечением 0,4 мм, следует намотать примерно 10 витков на корпус конструкции. Катушка с нашего примера имеет в диаметре 15 см.
- Теперь к корпусу конструкции присоединяется ручка. Ее размер должен выбираться в зависимости от роста пользователя. При помощи деревянного колышка 6 мм, рукоятка прикрепляется к корпусу. Использовать для этого металлический саморез или болт запрещается. Любые металлические изделия в конструкции будут нарушать работу металлоискателя. Он постоянно будет сигнализировать об обнаружении металла.
Настраиваем эталонную катушку конструкции из деревянного дюбеля. Ее частота в цепи настраивается до 100 кГц. Для этой цели нужен осциллограф или мультиметр, оборудованный частотометром. Все начинается с подключения катушки к цепи. После чего нужно включить питание будущего металлоискателя. Осталось подключить щупу от прибора к каждому концу катушки и вымерять частоту. Показатель не должен превышать 100 кГц. Если частота недостаточная, то катушка может быть укорочена. Благодаря этому индуктивность уменьшается, а частота наоборот, повышается. И снова выполняется измерение. В нашем примере снизив частоту меньше 100 кГц, размер катушки составил 31 мм.
Вот и все, теперь можно проверить конструкцию на работоспособность. Подобные металлоискатели являются довольно сложными и новичку будет тяжело справиться с созданием. Однако, есть и простой вариант создания металлоискателя.
Монтаж дополнительных элементов
Для проведения настроек аппарата необходимы две разные по мощности модели потенциометра. Один на 100 кОм, а второй только на 10 к Ом. Во время эксплуатирования металлоискателя часто могут возникать помехи. Во избежание такого результата используется экранированный провод для соединения катушки и схемы. Но нужно понимать, что полностью избавиться от помех не выйдет. В качестве источника питания аппарата берётся батарея минимум 12 В.
Увеличить устойчивость электросхемы можно с помощью дополнительного использования стабилизатора напряжения типа L7812.
После того как все электронные элементы готовы, следует приступать к сборке каркаса для металлоискателя. Но тут необходимо дать лишь общие рекомендации, так как каждый будет собирать его из подручных средств.
Новичкам можно посоветовать:
- Приобрести 5 метров трубы из ПВХ (которые используют в водопроводе) для создания штанги, а также перемычки. Сверху трубы устанавливается специальная подставка для руки. Она позволяет более комфортно себя чувствовать при работе. Для размещения платы нужно найти любую коробку соответствующих размеров.
- Питание аппарата можно сделать из обычного аккумулятора из шуруповёрта. Плюсы использования такой батареи в её маленькой ёмкости.
- При создании корпуса конструкции нужно учесть, что лишних металлических элементов быть не должно. Они могут негативно влиять на электромагнитное поле металлоискателя.
Идея №2 – Используем радиоприемник

Еще один вариант простого, но не менее функционального металлоискателя можно собрать, используя следующие подручные средства:
- коробка от компакт-диска;
- радиоприемник, который работает в диапазоне «АМ»;
- калькулятор;
- двухсторонний скотч.
Подробное описание того, как быстро, просто и легко сделать металлоискатель из радио:
- На внутренних стенках коробки прикрепляем калькулятор и приемник, используя двухсторонний скотч.
- Включаем оба устройства, причем радиоприемник настраиваем на максимальную частоту (при этом, чтобы шум от радиостанций обязательно отсутствовал).
- Закрываем коробку и потихоньку открываем до появления более-менее чистого звука. В таком положении самодельный металлоискатель настроен на поиск.
Как Вы видите, изготовить самоделку можно не дольше, чем за 5 минут. Такой вариант подойдет для чайников в электрике, т.к. тут можно обойтись без чертежей и никакие микросхемы подсоединять не нужно.
Можно дополнительно сделать ручку, чтобы облегчить процесс пользования. С помощью такой самоделки можно проверить стену перед установкой розетки, а то вдруг при штроблении Вы попадете в старую проводку!
Вот, собственно, и есть те способы, которые наиболее разумно использовать, чтобы сделать металлоискатель в домашних условиях своими руками. Что касается паяния более сложной модели, по типу бабочки либо терминатора, тут уже дело Ваше. С одной стороны можно сэкономить не менее 5000 рублей (стоимость бюджетной модели устройства), но с другой стороны отзывы многих любителей самоделок говорят о том, что редко такие устройства работают так, как хотелось бы.
Также читают:
https://youtube.com/watch?v=KmIcTa5Mp0g

Кто не мечтал однажды найти клад и разбогатеть? Разница между людьми лишь в том, что одни дальше мечтаний не идут, а другие ищут. Но есть только единицы тех, кто что-либо находит в земле, а большинство, потратившись на дорогое оборудование, так и остается ни с чем.
Вот это и удерживает человека от приобретения металлоискателей, которые стоят приличных денег, но не дают гарантии того, будет что либо найдено или нет.
А с другой стороны, если бы такой прибор достался практически даром, то не обязательно ходить по лесам в поисках мифических сокровищ. Даже на приусадебном участке возможно выкопать несколько метров трубы или брошенного кабеля, который при сдаче его в пункт приема может принести деньги. А ведь они, как известно, лишними не бывают.
В таком случае необходимо разобраться, возможно ли сделать металлоискатель из радиоприемника или дисков своими руками без применения микросхем, насколько сложен этот процесс и требует ли он каких либо определенных знаний, сложны ли схемы простых металлоискателей, что для этого потребуется, и каков алгоритм подобной работы.
Металлоискатели с дискриминацией металлов
Среди всех металл детекторов особо эффективными считаются аппараты, имеющие функцию дискриминации. Что это значит?



Конечно, с таким аппаратом работа гораздо эффективнее (не нужно копать грунт при каждом сигнале детектора) и требует меньшего времени. Но такие металлоискатели очень быстро расходуют энергию. Плюс они дороже в несколько раз. Для любительского кладоискателя подойдет и более дешевый аналог.

Мы надеемся, что наша статья была полезной для вас, помогла разобраться в основных типах аппаратов для поиска металла и возможно даже подсказала как изготовить свой любительский металлоискатель!

Задумка
Проще всего для самостоятельного изготовления мне показалась такая конструкция: берем диск из листового материала толщиной ~4-6 мм. Диаметр этого диска определяется диаметром будущей обмотки (в моем случае он должен быть равен 21 см).
Затем к этому блинчику с обоих сторон приклеиваем два диска чуть большего диаметра, чтобы получилась как бы шпулька для намотки проволоки. Т.е. такая сильно увеличенная по диаметру, но сплюснутая по высоте катушка.
Для наглядности попробую изобразить это на чертеже:
Надеюсь, основная задумка ясна. Просто три диска, склеенные между собой по всей площади.
Как сделать несложный металлоискатель для поиска на пляже

В этой статье я расскажу, как собрать простой металлоискатель для поиска монет и драгоценностей на пляже. Он состоит из одной микросхемы — таймера NE555N, катушки и еще нескольких радиокомпонентов.
Рассчитывайте потратить на постройку этого металлоискателя до 300 рублей!
Требующиеся материалы

Для сборки металлоискателя вам потребуется:
- микросхема таймера NE555N, в корпусе DIP;
- резистор 47 кОм;
- два конденсатора 2.2 мкФ, 16 В;
- кусочек контактной макетной платы;
- батарейка на 9 вольт, переключатель, колодка для батареи;
- электромеханический звукоизлучатель;
- 100 метров медного провода диметром 0.2 миллиметра;
- немного плотного картона и клей.
Вместо электромеханического звукоизлучателя можете использовать конденсатор на 10 мкФ и любой динамик с импедансом 8 Ом, включенные последовательно.
Схема металлоискателя

Идея металлоискателя взята из книги «499 схем на таймере NE555
». Я только добавил выключатель между батареей и микросхемой, а так же я использую электромеханический звукоизлучатель из старого электронного будильника вместо динамика.
Читать также: Как правильно паять радиодетали
Поисковая катушка

Cамая сложная часть металлоискателя это его катушка. Я рассчитал, что катушка диаметром 90 мм должна иметь примерно 260 витков медного лакированного провода диаметром 0.2 мм. При этом ее индуктивность как раз будет примерно 10 миллигенри.
Наматывал катушку аккуратно, виток к витку. Чтобы провода не распускались, сверху обмотал намотку белой изолентой.
Если вы хотите сделать катушку большего диаметра, чтобы увеличить дальность обнаружения цели, то в сети есть несколько онлайн калькуляторов, с помощью которых вы сможете ее рассчитать.
Монтажная плата

Я разместил все электронные компоненты на кусочке макетной платы. Соединения выполнял самым обычным проводом, который был под рукой. Сама пайка платы заняла не более 15 минут.
Размер платы примерно получился равным размеру спичечного коробка.
Корпус

Ручку металлоискателя для упрощения я решил сделать из картона. В ручку устанавливается монтажная плата, выключатель и батарейка.
Все это вырезалась из плотного картона и склеивалось клеем ПВА. После того, как клей высох, я сделал отверстия в картоне под плату и провода.
Затем, я приклеил поисковую катушку к ручке термоклеем. Последним шагом я, так же используя термоклей приклеил плату и батарейку внутрь ручки.
Заключение

Работает металлоискатель следующим образом: пока рядом с катушкой нет металлических предметов, звукоизлучатель пищит с одинаковой частотой; при поднесении металлического предмета, тон звука изменяется в сторону более высокого.
Дальность обнаружения большой монеты по воздуху по моим измерениям составила 5 – 7 сантиметров!
Металлоискатель, его устройство и принцип работы
Принцип работы металлоискателя сложный только на словах. Суть его заключается в образовании магнитных полей с помощью электрического напряжения, когда эти самые волны встречают на своем пути металлические предметы, аппарат издает сигнал, уведомляя о находке. Для новичков, не сталкивавшихся еще с подобными “изобретениями” это кажется довольно сложно, однако если внимательно следовать инструкции, на деле окажется все намного легче. И немного разобравшись, можно будет с легкостью создать прибор, для нахождения старинной монеты на глубине 30 см под землей.
Катушка
Для того чтобы создать магнитное поле, необходимо чтобы ток, прошел именно через бунт (связку, намотку) медной проволоки с нейлоновой изоляцией. Ее наматывают на пластиковую катушку несколько раз. Затем обматывают полиэстеровой, прочной упаковочной лентой. Это нужно для того, чтобы проволока не смогла раскрутиться обратно. Если внутрь бобины (специальная катушка) поместить чистое железо, магнитное поле значительно усилится, такой метод обычно применяют для охранных металлодетекторов.
Электронная схема
Работа системы полностью зависит от электронной схемы, это мозг прибора. Оставшийся кусок медной проволоки припаивают к печатной плате, другой выход платы подсоединяют электрическими проводками к датчикам: светодиодам, вибраторам, динамикам. В случае столкновения магнитных волн с металлом, электрический сигнал поступит от катушки к индикаторам через плату. Пожалуй, это самая сложная часть создания прибора своими руками. Затем приспособление калибруют, настраивают, помещают в пластиковый защитный корпус.
Модель с продольным резонатором
На рынке часто встречаются устройства с продольными резонаторами. Они выделяются среди своих конкурентов высокой точностью определения предметов, и при этом могут работать при повышенной влажности. Для того чтобы самостоятельно собрать модель, заготавливается стойка, а тарелку стоит применять диаметром не менее 300 мм.
Также стоит отметить, что для сборки устройства потребуется контактный котроллер, и один расширитель. Фильтры используются лишь на сеточной подкладке. Многие специалисты рекомендуют устанавливать диодные конденсаторы, которые работают при напряжении 14 В. В первую очередь они мало разряжают батарею. Также стоит отметить, что они обладают хорошей проводимостью по сравнению с полевыми аналогами.
Схема металлоискателя с дискриминацией металлов
Металлоискатель с дискриминацией металлов своими руками можно сделать, воспользовавшись схемой для импульсного прибора Шанс. Процесс изготовления катушки довольно прост.
Саму схему можно найти в интернете. Но все же опыт в сборке таких устройств будет нелишним. Сборку металлоискателя следует начать с платы.
После того как плата будет изготовлена, предстоит прошить микроконтроллер. И по окончании работы подключаем к питанию устройство по обнаружению металла.
Самодельное оборудование можно изготовить и без сложных микросхем, а использовав простой транзисторный генератор. Металлоискатель будет без дискриминации. Предметы он будет обнаруживать в грунте на 20 сантиметров в глубину, а в сухом песке – на 30 сантиметров. В данном аппарате передающая и приемная катушки работают одновременно.
Особенности ремонта
Сложно говорить о ремонте кустарных приборов. Если уж у кладоискателя хватило масла в голове и прямых рук, чтобы собрать прибор, наверняка у него хватит тех же компонентов, чтобы его отремонтировать. Можно только ограничиться общими советами по профилактике: металлоискатель не является водонепроницаемым. Не стоит погружать блок управления в воду, если только он специально не герметизирован.

Покупные или самодельные штанги на копе ремонтируются с помощью коленки, прямых рук и синей изоленты. Хороший нож на поясе или в рюкзаке в этом случае совсем не будет лишним.
Читай также: Не хочешь получить штраф за коп в неположенном месте? Переходи и узнаешь где можно копать, а где нельзя!
Как избежать 4 ошибок
Металлодетектор Пират — простой прибор, а потому у него не может возникнуть много неисправностей и они быстро устраняются.
- Когда возникает перегрев или некорректная работа прибора, необходимо сразу же удостовериться в правильности номиналов всех деталей, сборки.
- Бывают ситуации, когда звук от прибора исходит, но на металлы он не реагирует. Причина в Т1, или диоде D1. Чтобы устранить неисправность, то детали придется заменить на исправные.
- Происходит нагрев IRF740. Нужно осмотреть резистор R6. Если на нем верный номинал, то понижаем его. К примеру, когда был 150ом, то ставим на 100ом. Чтобы более качественно решить проблему, используем переменный резистор с показателем в 200ом. Далее следует выбрать такое сопротивление, чтобы IRF740 перестал нагреваться. После нужного подбора сопротивления, производим запайку.
- Нагревается Т3, или же сгорел. Такая неприятность случается из-за того, что мастер выбрал неверный динамик. Сопротивление хорошего динамика должно составлять 8ом, мощность – о,5 w.
Применение подобных советов в большинстве случаев помогает справиться со всеми проблемами.
Пошаговая инструкция по сборке простого металлоискателя
Берём провод 14 м диаметром 0,65 мм, пластмассовую крышку для ведра, 16 гвоздей-метизов 30 мм, малярный скотч, компоненты для печатной платы, батарейку, наушник от гарнитуры, лист из поликарбоната, полимерные трубки, металлический контейнер.
- Чертим на фанере окружность диаметром 150 мм и вырезаем её.
- Забиваем метизы по краям окружности.
- Закрепляем проволоку и сворачиваем её в 30 плотных витков.
- Обматываем катушку малярным скотчем для изоляции.
- Делаем вторую катушку по тому же принципу.
- Изготавливаем по схеме приемопередающее устройство.
- Берём наушник из гарнитуры для передачи звукового сигнала.
- Ставим электронную плату и батарею в приготовленную коробку.
- Размещаем катушки на поликарбонатном листе.
- Изготавливаем штангу из труб, создаём ручку в виде полукольца.
Тестируем металлоискатель сначала в искусственных условиях, разбросав разные предметы по полу, затем на природе.
Параметрический прибор обнаружения металлов
Данный агрегат используют для поиска труб и чёрных металлов. В основе параметрического прибора лежит транзистор МП40, который можно заменить на КТ361. Действует на низких частотах. В момент обнаружения металла издаёт низкий звук на частоте 50 Гц.
Как самостоятельно закрепить катушку
Каркас катушки выполняется из фанеры или CD-дисков. Стоит учитывать, что доска обладает низкой влагоустойчивостью. Обматываем диски изолентой или скотчем, оставляя между ними расстояние 5–7 мм.
Импульсный параметрический прибор
Работает на ферритовой антенне, которая испускает волны на средних частотах. Обладает низким энергопотреблением. Источниками питания служат батарейки АА. Недорогие комплектующие и простые чертежи позволяют спаять конструкцию самостоятельно. Импульсное устройство требует отладки.
Приемопередающие металлоискатели
Нацелены на поиск цветных и драгоценных металлов. Внутри прибора стоит катушка ДД, создающая излучение 2000–2500 Гц. Волны проникают на глубину 70 см, где выискивают чугун и сталь. На уровне 20 см прибор регистрирует на сплавы чёрных металлов, на уровне 10 см – цветные металлы.
Как собрать печатную плату металлоискателя своими руками
Переводим распечатанный дизайн платы на медную пластину при помощи лазерного принтера. В итоге получаем зеркальное отображение конструкции платы. Заполняем плату элементами: добавляем транзисторы, конденсаторы, резисторы, провода питания, катушки. Наматываем на катушку витки. Настраиваем частоту для катушек.
Испытание металлоискателя
Размещаем на любой поверхности металлические предметы и оцениваем работу металлоискателя. Определяем расстояния, на которых устройство начинает реагировать на разные типы металла. Далее испытываем прибор в естественных условиях. Во время поиска нужно сохранять медленную скорость и стараться охватить большую площадь.
Принцип работы
Итак, металлоискатель – это электронный прибор, где есть первичный датчик и вторичный прибор. Роль первичного датчика выполняет, как правило, катушка с намотанным проводом. Работа металлоискателя основана на принципе изменения электромагнитного поля датчика любым металлическим предметом.
Созданное датчиком металлоискателя электромагнитное поле вызывает в таких предметах вихревые токи. Эти токи вызывают своё электромагнитное поле, которое изменяет поле, созданное нашим прибором. Вторичный прибор металлоискателя регистрирует эти сигналы и сигнализирует нам о находке металлического предмета.
Простейшие металлоискатели изменяют звук сигнализатора при обнаружении искомого предмета. Более современные и дорогие образцы оснащены микропроцессором и жидкокристаллическим дисплеем. Наиболее продвинутые фирмы оснащают свои модели двумя датчиками, что позволяет вести поиск более эффективно.
Металлоискатели можно условно разбить на несколько категорий:
- устройства общего пользования;
- устройства среднего класса;
- устройства для профессионалов.
К первой категории относятся самые дешёвые модели с минимальным набором функций, но цена у них весьма привлекательна. Наиболее популярные марки в России: IMPERIAL — 500А, FISHER 1212-Х, CLASSIC I SL. Приборы данного сегмента используют схему «приёмник –- передатчик», работающую на сверхнизкой частоте и требуют постоянного перемещения поискового датчика.
Вторая категория, это более дорогие агрегаты, имеют несколько сменных датчиков и несколько ручек органов управления. Могут работать в разных режимах. Наиболее распространённые модели: FISHER 1225-X, FISHER 1235-X, GOLDEN SABRE II, CLASSIC III SL.

Все остальные приборы следует отнести к профессиональным. Они оснащены микропроцессором, могут работать в динамическом и статическом режимах. Позволяют определять состав металла (предмета) и глубину его залегания. Настройки могут быть автоматические, а можно регулировать их вручную.
Для сборки самодельного металлоискателя необходимо заранее приготовить несколько предметов: датчик (катушка с намотанным проводом), штанга-держатель, электронный блок управления. От её качества и размеров зависит чувствительность нашего прибора. Штанга-держатель подбирается по росту человека так, чтобы было удобно работать. На ней закрепляются все элементы конструкции.
В наше время многие люди стараются не покупать металлоискатели, а собирать их своими руками. Как правило, считается, что вещь, сделанная своими руками намного хуже, чем фирменные экземпляры. Практика показала, что качественно выполненный продукт может конкурировать с металлоискателями, выполненными на производстве.
Само собой, что такой аппарат, может быть, будет выглядеть немного хуже по своим эстетическим показателям, но касательно технических данных, он будет конкурентоспособным.
Детали самодельного металлоискателя:
- Микросхемы; К176ЛА7, К176ЛА9
- Кварцевый резонатор; 1 МГц
- Варикап; Д901Е
- Резисторы; 150к-3шт., 30к-1шт.
- Резистор переменного сопротивления; 10к-1шт.
- Конденсатор электролитический;50Мкф/15 вольт
- Конденсаторы; 0.047-2шт., 100-4шт., 0,022, 4700, 390
Большинство деталей расположены на печатной плате:


Всё устройство я разместил в обычной мыльнице, экранировав от помех алюминиевой фольгой, которую соединил с общим проводом:

Так как для кварца не предусмотрено место на печатной плате, то он располагается отдельно. Гнездо под наушники и регулятор частоты для удобства я вывел с торца мыльницы:
Весь блок металлодетектора при помощи двух хомутиков разместил на отрезке лыжной палки:

Осталась самая ответственная часть: изготовить поисковую катушку.
Катушка для металлоискателя
От качества изготовления катушки будет зависеть чувствительность устройства, стойкость к ложным срабатываниям, так называемым фонтонам. Хотелось бы сразу заметить, что от размера катушки напрямую зависит глубина обнаружения предмета. Так, чем больше диаметр, тем глубже прибор сможет обнаружить цель, но размер этой цели также должен быть больше, например, канализационный люк (маленький предмет с большой катушкой металлоискатель просто не увидит). И наоборот, катушка маленького диаметра способна обнаружить маленький предмет, но находящийся не очень глубоко (например, маленькая монета или кольцо).
Поэтому я сначала намотал катушку среднего размера, так сказать, универсальную. Забегая вперёд, хочу сказать, что металлоискатель задумывался на все случаи жизни, то есть катушки должны быть разного диаметра и их можно менять. Чтобы быстро сменить катушку, я поставил на штангу разъём, который выдернул из старого лампового телевизора:
Ответную часть разъёма я закрепил на катушке:

В качестве каркаса для будущей катушки я использовал пластмассовый ковш, который был куплен в хозяйственном магазине. Диаметр ковша следует подобрать приблизительно равным 200 мм. От ковша следует отрезать часть ручки и днища так, чтобы остался пластмассовый ободок, на который следует намотать 50 витков провода ПЭЛШО диаметром 0,27 миллиметров. На часть оставшейся ручки следует закрепить разъем. Получившуюся катушку изолируем при помощи изоленты в один слой. Затем нам нужно эту катушку заэкранировать от помех. Для этого нам понадобится алюминиевая фольга в виде полосы, которой мы обмотаем сверху так, чтобы концы получившегося экрана не замкнулись и расстояние между ними было приблизительно 20 миллиметров. Получившийся экран следует соединить с общим проводом. Сверху я также обмотал изолентой. Конечно, можно все это пропитать эпоксидным клеем, но я оставил так.
После испытаний большой катушки я понял, что нужно изготовить маленькую, так называемую снайперку, чтобы было легче обнаруживать предметы небольших размеров.
Готовые катушки выглядят вот так:
Настройка готового металлоискателя
Прежде чем начать настраивать металлоискатель, нужно убедиться в отсутствии металлических предметов вблизи поисковой катушки. Настройка заключается в подборе емкости конденсатора C2, для того чтобы получить максимальный уровень биений, который мы слышим в наушниках, так как в сигнале присутствуют множество гармоник(нужно выделить самую сильную). При этом движок переменного резистора R2 должен находиться как можно ближе к середине:

Штанга у меня получилась из двух частей, трубки были подобраны таким образом, что они входят друг в друга очень плотно, благодаря чему не пришлось придумывать специального крепления для этих трубок. Также были изготовлены подлокотник и рукоятка, чтобы было удобно выполнять проводку над землей. Как показала практика, это очень удобно: рука совершенно не устает. В разобранном виде металлоискатель получился очень компактный и умещается буквально в пакет:

Внешний вид готового прибора выглядит вот так:
В заключение хотелось бы сказать, что данный металлоискатель не подходит лицам, которые собираются работать по старине. Так как в нем нет дискриминации по металлам, вам придется копать все подряд. Скорее всего, вы очень сильно разочаруетесь. А вот любителям собирать металлолом данное устройство будет в помощь. Да и просто как развлечение детям.
Подведем итоги
Такая подробная инструкция поможет вам узнать, как самому можно сделать металлоискатель своими руками. Он простой, но полностью способен находить металлические предметы. Более сложные модели металлоискателей требуют больших усилий и времени.
Металлодетекторы глубинного типа способны обнаружить предметы в грунте на большом расстоянии. Современные модификации в магазинах стоят довольно дорого. Однако в данном случае можно попробовать изготовить металлодетектор своими руками. С этой целью в первую очередь рекомендуется ознакомиться с конструкцией стандартной модификации.





































