Точилка LM
Если в перспективе планируется заняться профессиональной заточкой инструмента в большом количестве, то можно изготовить точило, которое называется: Lansky-Metabo. Чертежи приспособления
  для заточки ножей своими руками выглядят следующим образом:



Если изделие зажать в зажимах корневой частью, то угол заточки будет наибольшим. Нож с таким углом можно использовать в качестве «колуна» и обработки твердых пород древесины. Также с легкостью можно наточить ножи и от фуговального станка. Зажимы для ножа можно изготовить из уголка или из дерева. Недостатком этой конструкции является сложность при сборке и большое количество деталей.
Если нет возможности собрать сложный инструмент для заточки ножей, то можно обойтись подручными средствами и изготовить ручные точилки для ножей. Простую точилку можно смастерить из угловой рамы, в которую вмонтирован оселок.

Если точилку дополнить скользящей кареткой, то не придётся удерживать нож под определенным углом, что, в свою очередь, хорошо скажется на заточке лезвия. Для изготовления подвижной каретки понадобятся брусок треугольной формы и магнит. Лучше всего использовать неодимовый магнит, позволяющий притянуть нож и надежно его зафиксировать. Если такой магнит отсутствует, то можно взять комплектующие из HDD (жесткого диска).
При многократном использовании ножей каждая хозяйка сталкивается с проблемой, когда они начинают тупиться и работать ими становится просто невозможно. К тому же это небезопасно, так как нож может соскользнуть при резке и травмировать вас. Чтобы этого не произошло, ножи следует точить своевременно при помощи специального точильного приспособления.
Приобрести точилку для ножа можно в ближайшем хозяйственном магазине или на рынке, где вам предложат различные виды устройств. Выбрать придется самостоятельно. Но, чтобы не ошибиться, нужно знать, как их правильно оценить в плане удобства и качества эксплуатации.

Не всегда предлагаемые варианты устраивают потребителей, поэтому многие изготавливают точилки своими руками, используя специальные камни, инструмент и чертежные наброски с размерами. На фото представлены варианты самодельных точилок для ножей.

Самодельный станок для заточки ножей
Изготовление самодельных станковЧертеж устройства станка.
Например, очень часто можно столкнуться с необходимостью приведения в порядок только определенных инструментов. Это могут быть сверла, фрезы, пилы или же фуговальные ножи.
В каждом конкретном случае необходим отдельный подход. Самостоятельная сборка станка позволит сделать удобный агрегат для работы с определенными элементами.
Кроме всего прочего наличие точильных агрегатов существенно сэкономит расходы, направленные на покупку новых ножей либо на их восстановление в сторонних мастерских.
Если же необходимо профессионально точить перечисленные выше инструменты, тогда все-таки следует отдать предпочтение покупным устройствам. Они являются более продуманными и проработанными.
Кроме того покупка в магазине гарантирует то, что аппарат будет решать поставленные задачи продолжительный срок. Также следует вспомнить о степени автоматизации. Конечно, в профессиональных устройствах применяется электроника, которую изготовить в домашних условиях без должного опыта просто невозможно.
Вариант 1
Самодельный станок
Одним из вариантов создания подобного устройства является использование двигателя с абразивным кругом, наждаком либо приспособлением для заточки с зафиксированным в нем ножом.
Самодельный станок для заточки строгальных ножей.
Изготовить данный аппарат можно частично из алюминия, металла и дерева. При этом используются подшипники и направляющие, сделанные из подручных материалов, например, уголков трубы или др.
При ровной установке ножей их можно затачивать на большом абразивном бруске. Если такового нет в наличии, следует использовать наждачную бумагу, наклеенную на ровную поверхность.
В зависимости от требований к конечному результату, можно варьировать скорость данного процесса. При наличии выщерблин необходимо предварительно использовать ленточно-шлифовальную машину, а в завершающем этапе обработать инструмент абразивным бруском либо самодельным из наждачной бумаги.
Брусок крепится к пруту, который вставляется в петлю подвижного фиксатора, расположенного на другом стержне. Недостатком данной конструкции является «гуляющий» угол из-за отсутствия жесткой фиксации.
Установка ножа осуществляется посредством двух стальных пластин, закрепленных на неподвижной площадке. Ослабив крепеж вставляют лезвие и зажимают его. Затем регулируют высоту бруска так, чтобы был выставлен требуемый угол.
Вариант 2
Второй тип конструкции предусматривает подвижную площадку, а также магнитный держатель. Этот вариант лишен недостатков предыдущего агрегата. Неподвижной в данном устройстве оказывается рама с бруском, определяющая угол.
Нож, в свою очередь, устанавливается на подвижном столике. Выбор держателя остается за мастером. Можно использовать магнитный тип или обычный, из металлических платин и «барашков».
Важное требование к такому оборудованию – движение столика с режущим инструментом по строго горизонтальной поверхности. В качестве нее лучше всего использовать полимерную или мраморную столешницу. Принцип заточки ножей на станке
Принцип заточки ножей на станке.
Как видите, самому сделать станок для заточки ножей не так уж и сложно. Если возникают какие-либо проблемы, можно всегда воспользоваться помощью обучающих видео из интернета. При правильном соблюдении всех инструкций изготовить подобное оборудование сможет каждый.
Приспособление для заточки ножей на электроточиле
Электрический наждак не только ускоряет работу, но и позволяет получить качественный вогнутый профиль кромки лезвия. Это так называемая доловая заточка. Получить такую форму на линейном бруске не получится, поэтому эти два приспособления не заменяют, а дополняют друг друга.
Металлический упор с фиксацией
Важно! Если при работе с ручным точильным приспособлением, вы полностью контролируете интенсивность процесса, то высокой скоростью вращения наждачного круга можно испортить нож.
От трения, металл на острие нагревается, происходит «отпуск» закалки. Сталь теряет твердость и стачивается рваными краями. Еще одна проблема – «отпущенный» нож быстро теряет остроту
 Поэтому на электроточиле следует работать осторожно. Подносить лезвие на короткое время, и делать перерывы для остывания. В таком режиме тяжело выдержать постоянный угол, поэтому фиксация ножа обязательна.
 Конструкция довольно проста – вдоль оси вращения наждака расположена направляющая, по которой движется каретка с ножом
Угол выдерживается механически, а усилие определяет оператор
В таком режиме тяжело выдержать постоянный угол, поэтому фиксация ножа обязательна.
 Конструкция довольно проста – вдоль оси вращения наждака расположена направляющая, по которой движется каретка с ножом. Угол выдерживается механически, а усилие определяет оператор.
Второе приспособление, упор из брусков
Приспособление легко сделать своими руками – причем не обязательно выполнять точные работы по обработке металлических деталей. Направляющая изготавливается буквально из подножного материала.
 На верстаке, рядом с точилом крепятся направляющие, с помощью которых можно менять расстояние от упора для ножа до вращающегося круга. Этим расстоянием определяется угол заточки. Вертикальная штанга должна иметь свободный ход вверх-вниз с прочной фиксацией положения.
 Нож проводится горизонтально, прижимаясь к упору. Сила соприкосновения с наждаком регулируется прямо в ходе заточки. Обработка происходит симметрично, вы просто меняете сторону ножа и точите под тем же углом.Такой способ подходит только для обработки классических ножей. Кухонных, охотничьих, туристических. Режущие плоскости других инструментов требуют иного подхода.
Устройство подручника
При изготовлении устройства подручника выполняются такие действия:
Снимает с основы ровную наклонную часть, дорабатывает её и устанавливает на ней устройство фиксации, а также прижим используемого приспособления;
Отмеряет от края впереди 40 мм и по такой отметке с помощью применения садовой ножовки выпиливает паз, глубина которого равна 2 мм;
С помощью применения сапожного ножа с торца доски откалывает 2 верхних шпонированных слоя. В итоге получается выборка, в которую слесарь вставляет 2 мм стальную пластинку на одном уровне с общей поверхностью;
Подручник имеет в своём составе 2 планки из стали размерами 170х60 мм и 150х40 мм. Станочник соединяет их по большому торцу, который имеет равные краевые отступы, и делает 3 сквозных щели на 6 мм.
С помощью болтов стягивает планки по сделанным щелям. В подобной ситуации станочник оставляет шляпки болтиков со стороны большой верхней пластинки;
Далее, с помощью применения дуговой электросварки пропекает шляпки болтиков и приваривает их к пластинке;
Потом снимает металлические дефекты сварного шва в виде наплывов и шлифует пластинку до придания ей ровной поверхности;
Прикладывает маленькую ответную планку к краевой выборке, переносит щели сверлом и закрепляет подручник болтами.
Эффективные абразивы
Хорошие специалисты для работы имеют три вида абразива:
- грубый – его показатель измерения 350 ед./см2 или алмазный брусок марки 160/125. Применяется при сильной степени зубчатости лезвия довольно редко;
 - мелкий или средний – 650 ед./см2 или алмаз марки 100/800. Обычно используется для базовой заточки, при нормальной степени притупления клинка;
 - очень мелкий (ультра) – 1150 ед./см2 или алмаз 20/40. Для окончательной доводки, шлифования и убирания самых мелких заусениц.
 
Алмазные бруски – это самые популярные виды камней. Они практичны, эффективны, их можно найти различных размеров или показателя зернистости.
Керамические точила для ножей также популярны. Славятся своей стойкостью к износу и способностью наточить кромку дамасского ножа до остроты бритвы.
Водные камни – самые дорогие виды точильных инструментов. Перед работой и в процессе их необходимо смачивать водой или маслом. Не применяются для правки.
Станки с фиксирующимися лезвиями
Станки для затачивания ножей с фиксирующимися лезвиями привлекут к себе внимание тех людей, которые хотят наточить нож не только качественно, но и быстро. Конструкция, жёстко фиксирующая лезвие ножа относительно движущегося под установленным углом точильного камня, позволяет точно выставить угол наклона. Для создания подобного самодельного станка своими руками понадобятся:
Для создания подобного самодельного станка своими руками понадобятся:
- Основание — прямоугольная деревянная пластина с размерами 440*92 мм и толщиной 18 мм.
 - Деревянная плашка 92*45*45 мм (для фиксирования вертикальной резьбовой шпильки).
 - Деревянный брусок 245*92 мм и толщиной 18 мм (пластина, к которой будет крепиться нож).
 - Железная пластина 200*65 мм и толщиной металла 4 мм.
 - Рояльная петля, длиной 92 мм.
 - Шпилька М8 длиной 325 мм.
 - Гайки и болты с резьбой М8.
 - Сверло 6,5 мм.
 - Метчик М8.
 - Саморезы 50 мм, 4 шт.
 
Плашку, предназначенную для фиксирования вертикальной резьбовой шпильки, необходимо просверлить насквозь сверлом 6,5 мм. Отверстие должно располагаться на расстоянии 15 мм от края плашки, примерно по центру.
Схема расположения отверстия в деревянной плашке
Далее в получившемся отверстии требуется нарезать резьбу под шпильку М8. Подготовленную таким образом деревянную плашку, необходимо прикрутить к основанию на расстоянии 265 мм от края при помощи обычных саморезов длиной 50 мм, вкрученных с обратной стороны основания.
После того, как брусок и основание будут надёжно скреплены, предстоит вставить шпильку М8 в отверстие в бруске. Шпилька должна проходить по всему сечению бруска и основания; таким образом риск изменения её положения сводится к минимуму. Шпильку у основания бруска нужно жёстко зафиксировать гайкой М8, слегка утопив её при закручивании в древесине бруска.
Вторая часть работы заключена в сборе зажимающего устройства для фиксации положения ножа. Для этого к бруску из дерева 245*92 мм тремя саморезами крепится рояльная петля с торца деревянной пластины, при помощи которой она будет крепиться к основанию приспособления.
Крепление фиксирующего бруска к основанию при помощи рояльной петли
После закрепления деревянной части удерживающего устройства, можно приступить к прикреплению железной пластины. В центе пластины 200*65 мм нужно просверлить продолговатый паз, длиной 90 мм и шириной около 1 см. Паз должен располагаться от края зажимной пластины на расстоянии 60 мм. Дополнительно требуется просверлить отверстие на расстоянии 20 мм от противоположного края и нарезать в нём резьбу под болт М8. Затем нужно прикрепить при помощи этого болта зажимную пластину на подготовленное ранее деревянное основание. При помощи ещё одного болта и подходящей шайбы необходимо зафиксировать зажимную пластину по центру вырезанного паза. Фиксация должна быть чёткой, но при этом аккуратной, чтобы не повредить поверхность клинка.
Прикрепление железной зажимной пластины
Самая сложная часть сборки этого приспособления заключается в подготовке регулирующего устройства, которое будет задавать угол заточки ножа. Для этого понадобится:
- металлический квадратный профиль 40×40 мм;
 - мебельная скоба, шириной 40 мм;
 - пара заклёпок;
 - брусок фанеры 42×25 и толщиной 18 мм;
 - болт и гайка М5;
 - пара гаек-барашков М8;
 - оселок;
 - стальной пруток диаметром 0,8 см и длиной 40 см.
 
На бруске фанеры необходимо просверлить пару отверстий: сквозное отверстие диаметром 8 мм по сечению 42×18 мм (расстояние от края по стороне 42 мм выставить на уровне 15 мм) и сквозное отверстие диаметром 5 мм по стороне с сечением 42×25 мм (расстояние от края 10 мм). Квадратную трубу следует разрезать пополам так, чтобы получилась «П»-образная скоба с шириной 40*15 мм и ушками по 20 мм. В ушках нужно просверлить 8-ми миллиметровые отверстия, в которые в дальнейшем будет вставлена шпилька М8. Соединить получившуюся скобу с мебельной петлёй при помощи заклёпок. К получившейся конструкции, при помощи второй части мебельной скобы, притянуть брусок фанеры болтом М5.
Расположение на спице направляющего механизма
Оселок соединить с направляющим штоком, в качестве которого выступает стальной стержень с сечением 8 мм. При соединении оселка и направляющего штока следует строго следить за тем, чтобы их осевые линии совпадали. При желании, для удобства пользования точилкой, к оселку с обратной стороны можно приспособить ручку-держатель. Осталось закрепить оселок в направляющем механизме, зафиксировать барашком и самодельное приспособление для заточки ножей готово.
Точилка в сборе
Из чего будем делать?
Следующий вопрос, которым нужно озадачиться.
Материалы, из которых вы будете её делать.

Для создания такого устройства вам понадобятся следующие материалы:
- Лист толстой фанеры (можно заменить листом ДСП) толщиной 16 мм;
 - Саморезы длиной 50-70 мм; (лучше использовать мебельный конформат);
 - Сверло соответствующее по диаметру и длине вашим саморезам или конформату;
 - Шпилька М8 соответствующей длины (примерно 70 см);
 - Алюминиевая плита (толщиной не менее 5 мм);
 - Болты М8 с гайками (желательно использовать гайки-барашки хотя можно использовать и обычные гайки, но следует учесть что тогда, при каждой заточке, Вы должны будете использовать гаечный ключ, а это согласитесь, не очень удобно);
 - Также вам понадобится небольшой брусок из текстолита или эбонита для создания подвижного соединения шпильки со станиной, которое можно будет регулировать по высоте (при необходимости его можно будет заменить бруском выполненным из твёрдых пород древесины например, это может быть дуб, бук или граб);
 - Ещё Вам конечно же будут нужны абразивные бруски различной зернистости;
 - Также Вам понадобится мощный неодимовый магнит («добыть» такой магнит можно из старого, ставшего ненужным, компьютерного жёсткого диска).
 
Как определить угол заточки?
Важнейший параметр заточки ножа – требуемый угол наклона лезвий. Он зависит от сферы применения конкретного инструмента и спектра задач, которые на него возлагаются:
- Бритва любого типа – угол 10-15 градусов.
 - Нож для филе – 15 градусов.
 - Нож для фруктов, хлебных изделий и овощей – 15-20 градусов.
 - Полифункциональные инструменты для нарезки продуктов питания – 20-25 градусов.
 - Охотничьи ножи – 25 градусов. Такие лезвия рассчитаны для разрезания не только мягких продуктов, но и древесины, костей, тканей.
 

- Хозяйственные ножи общего назначения – 25-30 градусов.
 - Туристические и походные ножи – 30-35 градусов.
 - Ножи для разрезания твердых материалов – 30-50 градусов. Чем больше угол заточки, тем хуже такой нож режет продукты питания, но тем лучше справляется с древесиной, стволами, пластиком.
 
Учтите, что существуют и комбинированные ножи: они разделены на несколько зон с разными углами заточки. Преимущество таких инструментов – универсальность, недостаток – сложность обслуживания.
Итак, собственноручная сборка приспособления для заточки ножей – отличный выход из ситуации, когда нет желания покупать профессиональный прибор или регулярно обращаться к мастерам для обслуживания инструментов. Перед вами два варианта изготовления точилок разного уровня сложности – выбирайте, какая вам по силам, и используйте ее строго по обозначенным правилам, дабы заточка была не только качественной, но и безопасной.
LM
Не требует каких-либо особых навыков и пользование ручной точилкой для ножей типа Lansky-Metabo, поз. 1 на рис. Схема ее устройства дана на поз. 2, а порядок пользования – на поз. 3. Недостатком точилки Lansky-Metabo считается нестабильность угла заточки по длине лезвия: по нему ведут штангой с оселком. Вынос точки касания при этом непрерывно меняется, т.к. она описывает дугу окружности, а лезвие иной конфигурации. Соотв. «плавает» и угол. Поэтому точилку Lansky-Metabo используют преимущественно для заточки походных и охотничьих ножей со сравнительно коротким клинком.

Точилка для ножей типа Lansky-Metabo
Однако данный недостаток возможно обратить в достоинство, если клинок зажать в клеммах корневой частью А (у черенка) и слегка повернутым кончиком от себя, поз. 4. Тогда у корня клинка угол заточки будет наибольшим, что оптимально для обработки твердых материалов или использования ножа как колуна. Так ведь им и работают в подобных случаях, чтобы внешнее плечо рычага рука-клинок было покороче.
К середине лезвия Б угол заточки будет плавно уменьшаться и достигнет минимума на сгибе его образующей Б1, что удобно для тонкой работы. Затем к кончику В угол снова увеличится, что сделает кончик более стойким при сверлении, долбежке/ударе и пробое (протыкании).
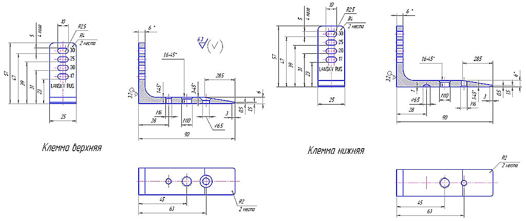
Чертежи деталей оригинальной точилки Lansky-Metabo даны на рис. Цифры у окон под штангу (направляющую) соответствуют ПОЛНЫМ углам заточки.

Чертежи деталей точилки для ножей Lansky-Metabo
На след. рис. дан сборочный чертеж зажима, а далее – чертежи и размеры клемм Lansky-Metabo, изготовленных из уголка 90х90х6 мм. Автор разработки скрывается под псевдонимом Serjant. Это, безусловно, дело его скромности. Но, между прочим, на производстве технологические новшества, позволяющие для изготовления фасонных деталей использовать стандартные профили, ценятся иной раз подороже серьезных изобретений.

Сборочный чертеж зажима точилки для ножей Lansky-Metabo

Чертежи самодельных клемм для точилки Lansky-Metabo из уголка 90х90х6

Общий сборочный чертеж точилки для ножей Lansky-Metabo
Приспособление для заточки ножей
 По сути это держатель точильных брусков. Принцип довольно прост, два треугольных древесных уголка соединяются между собой шпильками с барашками. Между них зажимается точильный камень под необходимым углом.
 Выставить необходимый угол можно при помощи транспортира или при помощи специальной программы на смартфоне. Клинок при такой заточке держится строго вертикально. Это проще, чем удерживать его под постоянным углом.
Эта же идея имеет другое воплощение. На надёжном основании делаются неподвижные держатели, в которые вставляются и закрепляются в нужном положении бруски.
Подобные точилки продаются в магазинах. Но можно сделать её самостоятельно.
Самодельная точилка делается из деревянных брусков. В которых проделывается отверстие под камни. Удерживать изделие можно рукой. Для правильной выдержки угла заточки, не забываем клинок держать строго вертикально. В начале это сложно, но потом рука привыкает.
Самодельные держатели брусков.
Использование абразивных материалов
Использование абразивных материалов для заточки ножей может быть эффективным способом получить острое лезвие. Однако, чтобы достичь наилучшего результата, необходимо правильно выбрать материал и использовать его правильно.

Выбор абразивного материала
- Выберите тип абразивного материала в зависимости от типа лезвия ножа, который вы собираетесь заточить. Для твердых материалов, таких как нержавеющая сталь, подходят алмазные или керамические точилки, в то время как мягкие стали лучше заточать на каменной точилке.
 - Выберите зернистость абразивного материала в зависимости от состояния лезвия ножа. Если лезвие ножа очень тупое, нужно начинать с грубой зернистости, а затем постепенно переходить к более мелкой зернистости. Если же лезвие ножа уже относительно острое, можно начать с более мелкой зернистости.
 

Использование абразивных материалов
- Подготовьте абразивный материал перед началом заточки. Если это каменная точилка, намочите ее в воде на несколько минут. Если это алмазная или керамическая точилка, проверьте, есть ли на ней какие-либо загрязнения и очистите ее при необходимости.
 - Установите точилку на плоской поверхности и убедитесь, что она не двигается во время заточки.
 - Держите нож правой рукой (если вы правша) и прижимайте его лезвием к точилке под углом примерно 20 градусов. Для левшей это будет зеркально-обратное действие.
 - Проводите нож по точилке с помощью движения, которые начинаются у основания лезвия и заканчиваются у его кончика. Не переносите лезвие ножа в обратном направлении, чтобы избежать повреждения лезвия.
 - После того, как вы заточили одну сторону лезвия, поверните нож и повторите процесс для другой стороны.
 
 








Точилки для ножей своими руками
В качестве брусочной основы станочник использует прямоугольную трубку из профиля или кусок карниза, ширина которого равна 50 мм ;. Наждачка должна иметь основу из ткани, а на 1 из брусочков нужно приклеить полоску замши для нанесения на лезвия полировки. Самым распространённым вариантом станочной конструкции считаются 2 пары реек из дерева, которые скреплены между собой винтиками. Между такими деталями станочник устанавливает брусок.
Основная причина популярности использования ручного самодельного станка для заточки различных ножей — это его устойчивость. Во время работы станочная конструкция никак не движется по верстаку. При фиксации брусочка слесарь пользуется опорными планками, которые находятся между деревянными элементами. Мастер выставляет лезвие к камню вручную.
 
При продолжительной работе сложно уследить за углом заточки;. При изготовлении такой установки необходимо воспользоваться фиксирующим узлом. Станочная конструкция должна быть устойчивой, поэтому её нужно жёстко крепить на верстаке;. Ещё одно преимущество подобной схемы-лёгкость изготовления. Такую станочную конструкцию чаще применяют при заточке ножиков для фуганка и для кухни. Вариантов его создания существует немало, поэтому рассмотрим только несколько из них.
 
Самым главным требованием к создаваемому станку будет выбранный угол — от этого напрямую зависит то, насколько острой будет режущая кромка, и сколько она прослужит.
Чем тоньше она будет т. Транс портир, чтобы правильно выставить угол.
В домашнем хозяйстве всегда есть режущие, пилящие и строгающие инструменты. В ходе работ острота теряется, и лезвия приходится восстанавливать. Можно отдавать ножи — рубанки в мастерскую, но на это тратятся деньги, и уходит лишнее время. Поэтому домашние мастера предпочитают затачивать инструмент своими руками. Вы можете купить приспособление для заточки ножей или иной домашней утвари в магазине.
Самодельный станок для заточки ножей. В обоих уголках просверливается отверстия — так, чтобы скрепить их между собой
Для заточки ножей кухонных, охотничьих — не важно или ножниц нужно просто провести по бруску лезвием вниз. Лезвие при этом должно идти строго вертикально
По необходимости на уголки можно нанести пометки с углами. Для изменения угла или для замены бруска — надо просто ослабить стягивающие уголки винты, и переместить брусок.
После чего винты снова затягиваются. Такое устройство хорошо тем, что позволяет менять угол.
Вернуться назад 1 2 3 4 5. Простое приспособление для заточки ножей под фиксированным углом.
Из его недостатков можно отметить тот факт, что оно, по сути, ненамного удобнее, чем работа с обычным точильным бруском. Что понадобится для создания самодельного заточного станка. Деревянная рейка длина — около 1 метра, толщина и высота — около 2 -4 см , или две рейки — одна длиной см, вторая — до Этот кусок будет играть роль держателя ножа.
Широкая см сторона куска — стачивается под острым углом. Это необходимо, чтобы при заточке брусок не цеплялся за край держателя. Сверлим основание и держатель, и скрепляем их болтами с затяжными гайками.
Между основанием и держателем — будет размещаться лезвие ножа или прямых ножниц. Теперь — необходимо сделать стойку , которая позволит водить бруском под одинаковым углом.
Для этого:. Деревянная рейка если бралось 2 рейки — то сейчас понадобится та, которая длиннее вертикально ставится на основание. Устройство для заточки ножей значительно облегчит работу. Если посмотреть на лезвие при многократном увеличении увидим примерно следующую картину.
Это общие рекомендации, введенные на основе многолетнего опыта. Есть, правда, варианты: некоторые клинки имеют несколько зон с разной заточкой.
Точилка для ножей своими руками: видео
Время чтения ≈ 10 минут
Для сохранения режущих свойств ножа необходимо их регулярно подтачивать, а приспособление для заточки ножей, изготовленное своими руками, поможет содержать эти инструменты в надлежащем состоянии. С хорошим острым ножом приготовление пищи значительно ускоряется, освобождая дополнительное время для отдыха. В данном материале мы рассмотрим изготовление специальных устройств для быстрой и качественной заточки ножей.
 
При заводском изготовлении ножа ему придается необходимая острота. Однако при его частом использовании он постепенно теряет свои режущие свойства. Чтобы сделать нож снова острым, необходимо его заточить, но сделать это правильно не так просто. Неправильная заточка не даст желаемого результата, а время и силы будут потрачены впустую.
Изготовители ножей, откликнувшись на просьбы своих покупателей, предоставили ряд точильных устройств. Но фабричные приспособления могут не устраивать владельцев ножей по разным причинам. Например, неподходящий угол заточки или высокая стоимость устройства. В этом случае бывает проще сделать точилку своими руками.
Материал ножа
В первую очередь нужно знать, из какого материала сделан выбранный вами нож. От этого зависит, можно ли его заточить в домашних условиях и какой способ для этого наиболее подходит.
- Углеродистая сталь. Ножи из такой стали довольно долго остаются острыми, их легко править, но ржавеют, покрываются пятнами и придают металлический привкус продуктам. Через какой-то срок на поверхности образуется налет, и окисление прекращается. Заточить этот материал до состояния бритвы практически невозможно. В принципе для него подходят любые средства, поскольку испортить его трудно. Он и так не особо хорош.
 - Нержавейка. Ножи из нержавеющей стали лишены недостатков предыдущего типа, но быстро тупятся. Они гораздо лучше в эксплуатации, а потому им рекомендована более бережная методика заточки: уж если точить их вручную, то бруском.
 - Высокоуглеродистая нержавеющая сталь объединяет плюсы первых двух разновидностей. Такие ножи не подвержены коррозии и долго не тупятся. Заточка камнем требует терпения, поскольку на нее уходит от 15 до 30 минут, зато нож сохраняется надолго. Правка алмазом займет не более пяти минут, зато и тупится прибор после нее быстрее.
 - Дамасская сталь – «элита” среди материалов. Ножи изготавливаются из металлических полос с разным содержанием углерода, благодаря чему получаются очень острым. Для них подходит ручная или алмазная шлифовка, как говорится, со знанием дела, Иначе есть вероятность безвозвратно испортить дорогостоящий экземпляр. Подойдут и некоторые виды механизмов, например, Lansky.
 - Керамика – такие ножи не тупятся очень долго, но уж если это случилось, то поправить дело самостоятельно не получится. Придется обращаться в мастерскую, где есть алмазный станок и строго соблюдается технология. Для них абсолютно недопустимы использование оселка или обычных точилок.
 
Самозатачивающиеся ножи – это только звучит очень круто. Так называют инструменты из качественных сплавов и особой технологии обработки режущей кромки: в ней чередуются твердые и мягкие участки. Мягкие зоны стираются при эксплуатации, образуя мелкие зубчики, которые и режут продукты.
Но они тоже тупятся, правда, происходит это значительно медленнее, чем у прочих. Есть еще один значительный минус: точить их нельзя, поскольку любая шлифовка убирает эту неоднородность твердости и лезвие становится очень мягким.
Устройство фиксации
Второй важной деталью подручника считается прижимная планка. Её можно сделать из 2 деталей. Г-образной планки размером 150х180 мм, ширина полочек которой равна 50 мм (верхней);
Г-образной планки размером 150х180 мм, ширина полочек которой равна 50 мм (верхней);
Ответной планки в форме прямоугольника размером 50х100 мм (нижней).
При изготовлении прижимной планки станочник выполняет такие действия:
Устанавливает нижнюю планку на дальнем краю верхней;
По центру делает 2 отверстия и отступает 25 мм от краёв детальки, через отверстия соединяет детальки двумя 8 мм болтиками;
Вкручивает 8 мм болтики по 2 сторонам. В подобной ситуации шляпа ближнего болтика расположена около верхней планки;
Приваривает шляпки болтиков к пластинкам и заранее шлифует до образования округлости;
Да наклонной доске отступает 40 мм от края и проводит рейсмусом черту;
Делает по краям внизу и вверху по одной 8 мм щели в 25 мм;
С помощью разметки соединяет края щелей и электролобзиком делает пропил с припуском. Напильником расширяет паз до ширины, равной 8,5 мм;
Скрепляет планки посредством паза, который есть в доске верхний болтик затягивает гайкой и, таким образом, крепко крепит планку.
Потом затягивает соединение 2 гайкой;
При прижиме нижней планки (в нише основы) накручивает на второй болтик барашковую гайку.
Используем для изготовления деревянный брус
Самая простая установка с фиксированным точильным камнем может быть изготовлена из деревянного бруса. Для него вам потребуется две деревянных заготовки и столько же точильных камней с одинаковым размером. Работа проводится по инструкции:
- Отшлифуйте деревянные заготовки, чтобы они стали гладкими.
 - Сделайте на бруске разметку, исходя из необходимого угла заточки.
 - Приложите точильный камень к полученной линии и отметьте его длину.
 - Сделайте пропилы в местах отметок. Их глубина должна быть по 1,5 сантиметра.
 - Теперь вам нужно лишь закрепить в углублениях бруски так, чтобы пазы совпали. Затяните гайки.
 
Выбор абразивного элемента
Немаловажную роль в заточке лезвий играет точильный камень. Чаще всего для определения грубости абразива используют систему цифрового обозначения зерен на одну единицу измерения.

В зависимости от функциональной необходимости различают следующую градацию:
- До 250 – высока грубость. Для заточки ножей и других режущих инструментов не используется.
 - До 350 – грубый абразив. Применяется для исправления физических дефектов или очень тупых лезвий.
 - До 500 – средний абразив. Применяют для подгонки инструментов. Имеет малый спрос и редко используется.
 - До 700 – мелкий абразив. Наиболее используемый тип точильного инструмента в повседневном режиме. Позволяет заточить лезвие до приемлемой остроты.
 - До 1000 – ультра-мелкий абразив. Применим для шлифования поверхностей и доведения уже заточенных инструментов до идеальной остроты. Не эффективен для заточки тупых ножей.
 
Таким образом, если вы желаете с максимальной эффективностью точить свои режущие инструменты, необходимо комбинировать различные типы абразивов. Например, особо тупые ножи доводятся до приемлемого состояния грубыми камнями, затем производится заточка мелким абразивом. В завершение процесса осуществляется шлифовка ультра-мелкими камнями.

Наждак также отличается по своему происхождению:
- Природные. К таким относится японский водный камень, для работы с которым необходимы особые навыки и огромное терпение.
 - Алмазные. Наиболее устойчивые к износу и разнообразные по грубости. Самые эффективные и относительно дешевые.
 - Керамические. Считаются чем-то средним, между камнями природного и алмазного происхождения.
 - Искусственные. Отличаются своей дешевизной, но при частом использовании быстро приходят в негодность.
 




































