Деревянные качели своими руками
Ну, а теперь материал для тех, кто не может или не хочет покупать садовые качели, но все же не прочь установить такой подвесной диван на своей даче. Мы предлагаем изготовить их самостоятельно, притом из дерева. Металл – он, конечно, понадежнее, но требует от мастера немало опыта и массу недешёвого инструмента.
Итак, первое, о чем придется позаботиться так это о пиломатериале. Лучим выбором тут будет бук или лиственница, ну еще дуб. Эти породы хорошо переносят жизнь вне крыши, а потому и прослужат намного дольше.
А вот от полюбившейся всем сосны и ели придется отказаться. Вы ведь не на сезон качели строить собрались. И хорошо если у вас есть своя циркулярка, так как пилить придется немало.
Начинать работу нужно со стоек. Возьмите два бруса сечением 80×80 мм и соедините их между собой под углом в 37° как показано на следующем фото.
Потом выпилите в верхней части крестовины паз глубиной 100 и шириной 50 миллиметров.
И несколько вырезов сделайте на самих ножках. Все размеры вновь-таки можно взять на схеме.
Если все запилы выполнили верно, вы легко зафиксируете конструкцию метровым отрезком доски 35×100 мм.
Теперь соберите еще одну такую стойку, стой только разницей, что соединяющая перемычка теперь должна находиться на противоположной стороне.
Чтобы окончательно собрать несущий каркас понадобится еще одна двухметровая доска сечением 150×50 мм и ста шестидесяти сантиметровый отрезок планки 100×35 мм.
Несмотря на обилие циферок в схемах изготовить такую конструкцию совсем не сложно, если вы конечно, имеете хоть какой-то опыт работы с деревом. Главное не спешите намертво скручивать детали.
Если видите, что все подогнали как надо, разберите каркас и тщательно обработайте заготовки шкуркой, да и пропитками напитать дерево лучше именно на этом этапе.
А вот еще схемы для сборки сидения «дивана» и его спинки.
Обратите внимание, никаких острых углов, все что может быть закруглено, должно быть закруглено, иначе в будущем без травматизма не обойтись. Вновь-таки, сначала только примеряйте детали, финальную сборку производите только после их шлифовки и пропитки
Дальше соедините лавочку в одно целое болтами. Только учтите, все они должны находиться на одной оси, или наклон спинки отрегулировать будет невозможно.
А теперь необходимо изготовить еще один значимый элемент конструкции, а именно шайбы.
Они служат не только «прокладкой» между спинкой скамейки и раскосой, но являются гнездами для крепления цепи. Скажем из своего опыта, намучаетесь вы с этими «пустяковинами». Более чем уверенны, пока достигнете нужного результата испортите не одну заготовку.
Дальше – просто. Выставили комфортный угол спинки и зафиксировали ее в этом положении при помощи пары раскосых так, как показано на следующем рисунке.
Только не забудьте продеть в шайбочки двухметровые отрезки цепи. Скрепляющие конструкцию болты должны пройти именно через их звенья. А дальше установка фурнитуры.
Закрепите в несущей балке пару мебельных шпилек с несущей способностью не менее полутоны и подцепите на них карабины.
Теперь осталось только сделать на свободных концах цепей по петле и продеть в них выступающие части сидения.
Вот и все дела. Цепляете «диван» цепью на карабины и качели готовы.
Да, согласны. Повозиться придется изрядно, но сэкономленные 30-50 тысяч того стоят.
Очень простые качели из поддонов
Ну а если вам не хочется заморачиваться с сооружением таких обстоятельных качелей, посмотрите, как две гламурные дамочки соорудили садовые качели из деревянного поддона буквально за несколько минут:
На этом мы прощаемся с вами. До свидания и до скорых встреч на страницах сайта про дачу.
Василий Молька
Необычные

Наверно, на каждом частном участке где-нибудь, да завалялась старая покрышка. А в саду растёт толстое и прочное дерево. Если такую покрышку подвесить на 3-4 металлических цепях горизонтально, то на таких качелях может качаться одновременно несколько человек. А если покрышку привязать одной верёвкой к стволу дерева (она повиснет вертикально), то вполне может качаться один человек.
Так как сделать качели на даче могут люди с оригинальным мышлением, то очень подойдёт необычный и интересный вариант. Это изделие с кольцом из прочного металла. Металлическое кольцо крепят горизонтально к опоре, используя четыре цепи. В специальном обруче устраивают из большого количества цепей так называемое гнездо. Эти цепи необходимо прикрепить одним концом по окружности этого обруча, а свободные концы переплетают друг друга, и таким образом, скрепляются. Чтобы цепи не царапали человека, их обматывают плотной и мягкой тканью, а в само гнездо кладут специальную подушку.
В любом случае, достаточно немного фантазии и желания, и можно устроить себе в саду из любых подручных материалов небольшой уголок для отдыха.
Рекомендуем к прочтению:
- Как сделать веранду;
- Как сделать навес на даче;
- Дорожки на даче.
Материалы и инструменты
Кроме профильной трубы потребуются:
- измерительные инструменты;
- дрель и «болгарка»;
- кисти и краски;
- несколько досок, металлические трубы.
Ход работы
- Болгаркой обрезаются две трубы под углом 45º.
- Привариваем детали к конструкции, так чтобы расстояние между нижними концами опор составляло 160 сантиметров.
- Подобным образом изготовляем еще одну боковину.
- Закрепляет боковины и болтами прикручиваем верхнюю перекладину.
- На перекладине размещаем специальные приспособления к которым будут крепиться тросы сиденья.
- Изготовляем из нескольких труб основу сиденья и надежно закрепляем с помощью гаек и болтов.
- Высверливаем в досках отверстия и прикрепляем их к металлической основе.
- Из досок делается спинка сиденья.
- К спинке прикрепляем приспособления («ушки») для тросов, аналогичные тем, что имеются на перекладине каркаса.
- Проводим через «ушки» тросы и закрепляем их.
Качели готовы принять «пассажиров»!
Что нужно для изготовления качелей для сада из бруса
Основным строительным материалом выступает брус. При покупке в первую очередь смотрят, из каких пород дерева он сделан. Каждая древесина отличается прочностью, стойкостью к природным явлениям. Показатель прочности популярных пород дерева для изготовления качелей отображает таблица:

Чтобы сохранить естественную красоту древесины, пиломатериалы вскрывают прозрачным или цветным лаком
Здесь аналогично важно правильно подойти к выбору породы дерева. У каждого сорта имеется свой текстурный рисунок
Образуется узор за счет годичных колец.
Совет! Деревьям хвойных пород присуща простая текстура древесины. Разнообразие рисунка стоит искать среди лиственных представителей.

Выбор материала по сечению зависит от предполагаемой нагрузки на аттракцион. Если его собирать своими руками для одного маленького ребенка, подойдет брус сечением 70х50 мм. Когда предусмотрено подвешивание на каркас нескольких одноместных сидений, нужен более прочный материал. Такие делают детские качели своими руками из бруса 100х100 мм или 100х150 мм. Взрослые и семейные аттракционы подвержены большим нагрузкам. Здесь отдают предпочтение пиломатериалам сечением 150х150 мм. Раму скамейки собирают своими руками из бруса прямоугольного сечения 70х40 мм.
Дополнительно понадобятся болты, саморезы, монтажные уголки, веревка или цепи, кронштейны с проушинами для подвешивания скамейки к перекладине. Из инструмента нужна пила, рубанок, электродрель, шуруповерт, шлифмашина.
Необычные варианты качелей
Если вы хотите смастерить что-то особенное для ваших детей, рекомендуем обратить внимание на необычные конструкции самодельных садовых качелей для дачи. Их основное отличие в материале, которые используется либо для сидушки либо для крепления сидения с каркасом/деревом
- Отличный вариант плетеных круглых качелей – шина, подвешенная за несколько креплений с помощью каната или же цепи. Для того, чтобы сделать такую конструкцию, вам понадобится пробить шину насквозь и через получившиеся отверстия продеть веревку или цепь, закрепив ее.
- Еще один необычный вариант качель – парящие скамейки. Это самые обычные лавочки, подвешенные на дерево на канатах или цепях. Рекомендуем сделать такие садовые качели из ротанга или лозы и после подвесить за карабины к потолку вашей веранды или на дерево.
Времени на такую конструкцию потребуется больше, но в итоге ваши дети постоянно будут играть на них. Для этого вам нужно будет большое количество времени потратить на изготовление отдельных деталей, а также соединение их воедино. Однако результат оправдает все ваши старания.
Для взрослых

Изготовление рамы
Чтобы построить простейшие садовые качели для дачи, которые подойдут для отдыха всей семьи, необходимо сделать более устойчивую опору. Обычно для этого используют четыре опорные стойки-столбы. Их вкапывают в землю на глубину около одного метра (не менее 80 см) и бетонируют. При использовании металлических конструкций все обрезные края должны быть тщательно отшлифованы с помощью шлифовальной машины, иначе можно будет пораниться о края. Соединения стоек с перекладиной соединяют сваркой (так что, сварочный аппарат необходим).

А для соединения стоек с деревянной перекладиной применяют болты с гайками или же саморезы. В вершине полученной конструкции (из любого материала) прикрепляют горизонтальную балку.
Изготовление сиденья

Прежде всего, для того чтобы получить сиденье, необходимо изготовить две рамы. Одна рама будет собственно сиденьем, а вторая предназначена для спинки. И на одну, и на другую рамки прикрепляют фанеру. Соединяют спинку и сиденье уголками (обычно под углом в 120 градусов). Под прямым углом соединять не рекомендуется: это менее комфортно для сидения, тем более, для отдыха. Чтобы изготовить подлокотники (по желанию), нужно установить под прямым углом бруски.
После того, как установлены стойки, изготовлено сиденье, можно приступать к подвешиванию его к верхней перекладине. Для этого необходимо прикрепить к ней прочные крюки или специальные надёжные скобы. Через образовавшееся отверстие протягивают трос, верёвки или цепи. При этом нужно подобрать правильную высоту сиденья. Для этого проводят предварительные замеры – ноги сидящего человека должны касаться земли носками.

Конечно, если построить качели на даче подобным образом, то они будут жёсткими, и, вряд ли, речь может идти о полноценном отдыхе. Для того чтобы устроиться на сиденье с комфортом, можно приобрести или сшить самостоятельно специальные подушечки. Для большего срока службы их можно одеть в непромокаемые чехлы из полиэтилена. А если на эти же стойки натянуть садовый тент, то можно будет наслаждаться отдыхом в саду в любую погоду.
Сиденье
Этот элемент можно изготовить из различных подручных средств. Любой кусок подходящего для этой цели материала вполне можно приспособить. Если это доска — ее необходимо обработать, зашкурить. Прекрасный вариант для сиденья качели — основание бывшего в употреблении стула.
Детская качеля из дерева
Также используют покрышки (как целиком, так и разрезанные на куски). Цельный вариант хорош своей простотой — подвязать веревку и можно кататься. С точки зрения эстетики, удобства подойдет сборная модель — нарезанная на куски различных форм, соединенных заклепками.
Хорошее сиденье для качелей получится из обруча, оплетенного сеткой. Требуется надежный материал, узлы выполняют морские или в технике макраме. Также на обруч можно натянуть брезент или прочную ткань. Металлическое основание затягивают поролоном, текстилем или любым подходящим материалом.
Детская качеля с горкой
Хорошее основание качели получится из деревянных складских паллет. Они широкие, прочные. Если соединить вместе 2 штуки, выйдет прекрасная подвесная кровать. Закрепляется такая конструкция по всем углам изделия цепью или канатом.
Если качели предназначены для малыша, то помимо сиденья стоит установить спинку, подлокотники, ограничитель. Для этого используют обработанные бруски, в которые продевают веревки.
Детская качеля из дерева с лестницей
Деревянные качели на опорных стойках
Деревянные качели на опорных стойкахДеревянные качели на опорных стойкахДеревянные качели на опорных стойках
Для сборки деревянных качелей на стойках готовим следующее:
- крепкий канат;
- древесину;
- штакетник и фанеру для изготовления лавочки;
крепежные элементы.
В качестве крепежа для таких качелей используем оцинкованные болты. От простых шурупов и гвоздей воздерживаемся.
Схема крепления анкерных крюков
Для дополнительной защиты материала от порчи и сохранения его естественного вида используем лессирующий антисептик. Предварительно покрываем им все деревянные элементы конструкции.
Готовые качели подвешиваются на прочную ветку либо же закрепляются на стойках с уложенной поверх них поперечной балкой. Для сборки опорной конструкции используйте деревянный брус.
Нижние концы деревянных стоек обрабатываем битумом. Для фиксации стоек достаточно вырыть пару ям глубиной порядка 1 м, установить в них стойки, засыпать 20-30 см высоты ямы смесью песка и щебня, а затем залить бетон.
При желании можете сделать отдельно бетонные столбы и прикрепить к ним деревянный брус анкерными болтами. Делайте, как вам удобнее. При использовании второго способа между металлом и древесиной обязательно прокладываем влагоизоляционный материал. Для придания раме большей устойчивости подпираем стойки раскосами.
Варианты крепления сиденья для качели
Сами качели изготавливаем в соответствии со следующей пошаговой инструкцией.
Схема сиденья для качели
Первый шаг. Делаем опорные дуги-клюшки. Для этого используем доски толщиной 22 мм (лучше всего из сосны) и фанеру толщиной 12 мм. В соответствии со схемой чертим шаблон и выпиливаем 6 клюшек.
Опорные дуги
Второй шаг. По заготовкам из фанеры обрисовываем очертания сердцевины. Слой в середине делаем из клееного щита. В наружных слоях крайних клюшек создаем вырезы для концов каната.
Обрисовываем дуги для середины
Третий шаг. Скрепляем части опоры с помощью водостойкого клея. Стягиваем опору струбцинами. Их убираем только после полного высыхания клея.
Склеиваем фанеру
Четвертый шаг. Обрабатываем кромки опор шлифмашинкой, придавая им округлую форму.
Шлифовка
Пятый шаг. Вырезаем из сосновой доски кругляши для держателей каната. Это проще всего сделать при помощи соответствующей насадки на дрель.
Кругляши для держателей каната
Шестой шаг. Обрабатываем опоры и готовые кругляши грунтовкой либо атмосферостойкой краской.
Грунтовка
Седьмой шаг. Через кругляши ввинчиваем в опоры металлические держатели каната, а после покрываем деревянные элементы акриловой краской.
Окрашивание
Восьмой шаг. Переходим к созданию сиденья для самодельных деревянных качелей. Прежде всего, выравниваем штакетник.
Выравнивание штакетника
Девятый шаг. Далее сверлим отверстия для шурупов в каждой планке. Чтобы отверстия были сделаны максимально аккуратно, надеваем на края штакетин уголок (можно сделать из фанеры) по размеру планок с предварительно сделанными отверстиями в нужных местах.
Сверловка по шаблону из фанеры
Десятый шаг. Привинчиваем штакетины к опорам. Для обеспечения ровного шага размещаем между планками дощечки.
Сверловка отверстий в планах
Одиннадцатый шаг. Фиксируем подлокотники к опорам. Их также делаем из штакетин. Вкручиваем металлические болты в торец планок. Укладываем между опорой и подлокотником деревянный кругляш.
Крепление планок шурупамиКрепление подлокотников
Двенадцатый шаг. Продеваем канат в отверстия держателей, зафиксированных в опоре качелей. Канат завязываем на морской узел, после этого наматываем на него проволоку, прочную нить либо шнур.
Канат завязан на узел
Тринадцатый шаг. Отрезаем свободный край каната с помощью ножа.
Четырнадцатый шаг. Продеваем канат через овальное отверстие в подлокотниках. Сам подлокотник опираем на колодки, установленные на стянутую болтами пару полуколец.
Пятнадцатый шаг. Обвиваем канат по коушу для тросов и связываем веревкой.
В завершение останется подвесить кольцо к альпийскому карабину, зафиксированному к перекладине опоры либо толстой ветке дерева. Ваши качели готовы!
Примерный расчет стоимости качели
Как одеть крышу на садовую качель
Крыша для садовой качели – отличное решение, как с точки зрения красоты, так и практичной. Она защитит владельца от дождя или прямых солнечных лучей, поможет лучше сохранить само сиденье и избавит от необходимости постоянно очищать его от грязи. Так как одеть крышу на садовую качель? Лучше всего купить съемный тент и стойки к нему. Часто они пропитаны специальными растворами, которые отражают влагу.
При помощи специальных отверстий под крепления тент натягивается на опоры и приобретает свою форму. Такое укрытие можно дополнительно модернизировать, прикрепив к нему москитную сетку. Этот трюк поможет избавиться от надоедливых насекомых и насладиться теплыми летними ночами, особенно около водоемов.
Как сделать качели-балансир для ребёнка из дерева своими руками
Опираясь на сделанные чертежи и вооружившись необходимыми материалами, инструментом, можно приступать к сборке качелей-балансира из дерева. Работа проводится в 4 этапа:
- монтаж основания;
- изготовление коромысла-балансира;
- сборка;
- покраска изделия.

Составленная вами схема даёт чёткое представление о последовательности действий
Основание — базис надёжности конструкции для детей. Этот элемент качелей можно соорудить из деревянного бруса (10х15 см), бревна (20 см), досок (не тоньше 3 см), закрепив их в предполагаемом месте будущих качелей. Из дерева сооружают нижнюю раму длиной около 1 м и на неё крепят (при помощи саморезов) вертикальные опоры или стойки под углом.
Коромысло-балансир проще всего сделать из бруса или толстой доски.
На всю длину балансира (до 2,5–3 м) укладываются 2 бруса параллельно друг другу, между ними (с обеих сторон) помещаются брусья покороче (до 1 м). Фиксируется вся полученную конструкция шурупами или водонепроницаемым клеем (для столярных работ). Можно воспользоваться одной доской.
На краях коромысла делаются сиденья с ручками, в центральной его части — отверстие для профильной трубы.
Ручки, как и все другие деревянные детали должны быть идеально гладкими, чтобы ребёнок не загнал в кожу занозу.
Сборка коромысла и основания производится при помощи двух труб: опорной и отрезка, вмонтированного в центр качели. Их совмещают, вставляют стальной стержень в заранее просверленные отверстия на обеих трубах.

Обладая определёнными навыками, можно соорудить для детей качель-балансир
Качели собственными руками: схемы, чертежи
На первоначальном этапе необходимо подготовить материалы для изготовления садовых качелей собственными руками. По чертежам можно свободно понять, сколько заготовок понадобится для сборки системы, и какие габариты они должны иметь.

Обычные деревянные качели
Поэтапную инструкцию по сооружению можете рассмотреть на примере простых деревянных качелей:
- Перед тем как приступать к работе, нужно приготовить четыре бруса протяженностью три метра, а потом – изготовить из них 2 конструкции в виде буквы Л. Угол соединения брусьев – 50 градусов.
- В обязательном порядке нужно сделать ровными плоскости для опорных установок.
- На стыке нижней, а также средней ⅓ длины опор необходимо сделать затяжки из дерева по 2 на каждой стороне.
- Полученные опоры соединяют поперечной перекладиной из прочного материала (можно применять бруски из дуба).
- «Ножки» каркаса следует вкопать в землю на глубину около 60 сантиметров.
- Прямо скамейку нужно сделать по принципу обычной лавочки, имеющей высокую спинку.
- В перекладины спинки, а также подлокотников необходимо установить рым-болты достаточных размеров, прочные. Эти болты следует зафиксировать на верхней перекладине.
- Затем подвесьте скамейку на плотную крепкую цепь, прикрепите к верхнему бруску.
Обычные металлические качели и из профильных труб
Руководство поэтапной сборки:
- По чертежу нужно из профильной трубы нарезать заготовки. Для этого потребуются длинные детали для стоек плюс 1 перекладина. Из трубы с меньшим сечением следует нарезать нужное количество перемычек.
- После того как отрежете все заготовки, нужно приступить к сборке каркаса. Сначала надо сделать узел, где верхушка опор будет соединена с перекладиной. Если хотите, чтобы качели были разборными, то трубу необходимо просверлить, а потом – соединить болтами. Чтобы углы были прочными, стоит установить распорки. Можно зафиксировать их с помощью саморезов на металле.
- Если же вы планируете смастерить неразборную конструкцию, то нужно будет изготовить ее из профильной трубы собственными руками при помощи сварочного аппарата. Швы в целях эстетичности следует зачистить болгаркой.
- Сделанный каркас установите на том месте, где он будет находиться постоянно. А если планируете забетонировать опоры, то выкопайте для каждой стойки ямку. На низ лунки насыпьте пласт щебенки, толщина которой составляет 20 сантиметров. Опоры раздвиньте внутри ямки камнями, затем – наполните жидким бетоном.
- На перекладине необходимо разметить зоны размещения мобильных узлов. Для анкеров в трубе следует просверлить дыры. Резьбовое соединение нужно в обязательном порядке закрепить при помощи вспомогательной контргайкой. Она не допустит ослабление крепления в период эксплуатации качелей.
- Чтобы получить удовольствие от времяпровождения на качелях под дождем либо жаре, необходимо сделать крышу. Рамку сварите в виде прямоугольника из тоненькой трубы. Чтобы не накапливались осадки, нужно плоское укрытие зафиксировать под наклоном. Красивее будет смотреться полукруглая крыша. А из трубы согните дуги. Для этих целей применяют профиль не квадратной формы, а плоской. Подобная труба легче сгибается и проще прикрепляется к ней кровельный материал.
- Отдельное сиденье либо в форме скамейки комфортнее в применении при наличии полукруглой спинки. Для создания боковых деталей каркаса выгните 2 дуги. Приварите к ним перемычки. Изготовленный каркас должен быть схож с формой ковша. Ко всем четырем углам системы приварите петли. Крепления зафиксируйте с помощью цепи.
- После изготовления каркаса сиденья прикрепите цепи к отверстиям на перекладине. Отмерьте необходимую длину, отрежьте ненужные участки.
- Свободные края цепей соедините с отверстиями, имеющимися на основе сиденья, выставьте его в соответствии с уровнем. Если получится перекос, необходимый участок следует удлинить либо укоротить, изменив количество звеньев.
Каркас необходимо обезжирить, покрыть защитной грунтовкой, а потом – покрасить. В виде кровельного покрытия идеально подходит цветной поликарбонат. Лист нужно прикрутить саморезами и уплотняющими шайбами.
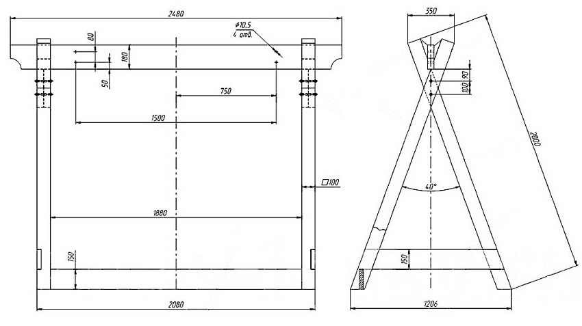
Чертежи садовых качелей: сборка опорной части
Следующий этап строительства – проверка подгонки. Выполняется перенос разметки с помощью угольника на внутреннюю часть ног.
На заметку! Вы можете использовать эти 4 детали как образцы для изготовления второй боковой рамы. Она собирается аналогичным образом.
Шаблон устанавливается на отметке в 22 мм и производится разметка между перпендикулярно расположенными линиями на внутренней стороне каждой из ножек.
Деревянные качели-скамья, шаг 7: обработка изделия защитными составами.
Далее действия осуществляются в следующей последовательности:
- с внешней стороны ножки вбивается гвоздь с выпуклой головкой (25х65 мм);
- подгонка стыков и вбивание в раму гвоздей;
- формирование отверстия сверлом, диаметр которого составляет 8 мм. Отверстие должно доходить до центральной части торца каждого бруска;
- формирование установочного отверстия сверлом, диаметр которого равен 4,5 мм. Сделать это нужно как можно глубже в торцовую часть брусков;
Чертеж опорной части для деревянных садовых качелей.
- стяжка деталей через установочное отверстие с помощью шурупов с квадратной головкой, укомплектованных шайбами 8х100 мм. Сделать эту процедуру нужно со всеми брусками;
- размещение поперечной балки на соответствующее место в верхней части рамы;
- совмещение граней рамы с перпендикулярной разметкой на поперечной балке;
- формирование отверстия диаметром 10 мм в балке и в обеих ножках;
- фиксация деталей с помощью болта с полукруглой головкой (125х10 мм) и гайкой;
- сверка углов между балкой и ножкой;
А-образная конструкция — самая надежная в качестве опоры для качелей.
формирование сквозных отверстий в ноге диаметром 4,5 мм на уровне 30 мм от низа балки. Фиксация деталей шурупами (65 мм). Аналогичные действия выполняются и в верхней части ноги. Только в этом случае для скрепления используются другие шурупы (38 мм).
Далее нужно соединить верхний брусок и ригель. Распорка фиксируется сквозным шурупом, размер которого составляет 65 мм. Верхняя часть этого элемента фиксируется к нижней грани балки в торцевой части шурупом 38 мм в предварительно выполненное отверстие (4,5 мм).
Качели, установленные на террасе — прекрасное место для времяпровождения с семьей и друзьями.
Какую породу лучше выбрать для качелей
Строители рекомендуют обратить внимание на хвойные породы (лиственница, сосна) – они крепкие и не подвержены появлению трещин, кроме того, в меньшей степени страдают от атак насекомых. Учтите тот факт, что некоторые породы хвойных деревьев могут подвергаться гниению, бороться с которым можно локально, покрывая пораженные грибком участки специальным антисептиком (хорошо себя зарекомендовал pinotex)
Отличным сырьем для построек любого типа считается дуб, который имеет существенный недостаток – высокую цену сырья. Однако он очень прочен, массивен и с ним довольно просто работать при декорировании.
Другим вариантом также будет возведение качелей из липы – её редко используют для больших построек, потому как она не обладает достаточной степенью защиты от холода, однако, для качелей этот фактор существенной роли не играет.





































