Схема управления
И если подключение частотного преобразователя к электродвигателю выполнить просто, достаточно только соединить соответствующие выводы, то со схемой управления все куда сложнее. Все дело в том, что возникает необходимость в программировании устройства, чтобы добиться максимально возможных регулировок от него. В основе находится микроконтроллер, к нему производится подключение считывающих устройств и исполнительных. Так, необходимо наличие трансформаторов тока, которые будут постоянно следить за мощностью, потребляемой электроприводом. И в случае превышения должно произойти отключение частотника.
Lm2576t adj схема включения с дополнительным транзистором
Лабораторный блок питания на базе импульсного стабилизатора LM2576T-ADJ с регулировкой выходного напряжения 0-30В и тока 0-3А , с функцией ограничения выходного тока и индикацией режима ограничения при помощи светодиода.
Все мы очень давно знакомы с линейными стабилизаторами напряжения, особенно с трёхвыводными в корпусах TO-220 типа 7805, 7812, 7824 и LM317. Они недорогие и легко доступны. Их малошумящая и быстрая переходная характеристика делают их идеальными для многих применений. Но им присущ один недостаток — неэффективность (очень низкий КПД). Например, при подаче на стабилизатор 7805 напряжения 12В и при токе нагрузки 1А, на стабилизаторе будет рассеиваться мощность 7Вт при мощности нагрузки 5Вт. Поэтому требуется большой радиатор для охлаждения самого стабилизатора. Когда важна эффективность, например при работе от батареи, необходимо выбирать импульсный стабилизатор. Фактически, самое современное оборудование использует импульсные источники питания и импульсные регуляторы или стабилизаторы. Но много радиолюбители уклоняются от импульсных регуляторов, поскольку, например, использование популярной LM3524 требует большого количества внешних деталей и внешнего коммутационного транзистора. Кроме того строгие требования для катушки индуктивности. Как выбрать правильно, и где их взять? К счастью, более новый импульсный регулятор типа LM2576 от National Semiconductor’s позволяет собирать импульсный стабилизатор с высоким КПД так же легко, как и с помощью 7805 и т.п. Микросхема выпускается в пятивыводном привычном корпусе типа TO-220 и корпусе ТО-263 для поверхностного монтажа. Диапазон питающих напряжений 7-40В постоянного тока. КПД — до 80%. Выходной ток — до 3А и на несколько напряжений (3.3V, 5 V, 12V, 15V), а также и в версии регулируемого выходного напряжения, что представляет для нас особенный интерес. При проектировании с использованием импульсного стабилизатора получается малый размер платы, кроме того необходим радиатор с малой площадью поверхности, обычно не более 100 см. кв. Частота преобразования стабилизатора 52 кГц. Есть серия высоковольтных стабилизаторов с маркировкой HV с диапазоном входных напряжений 7-60В и возможностью регулировки выходного напряжения до 55В.
Приведенная на рисунка схема лабораторного блока питания на базе импульсного стабилизатора LM2576T-ADJ с регулировкой выходного напряжения в диапазоне 0-30В и возможностью ограничения тока нагрузки в диапазоне 0-3А найдена в сети Интернет и подробно рассмотрена здесь на форуме сайта http://vrtp.ru. Кстати, замечательный сайт, рекомендую к посещению Свечение светодиода указывает на включение режима ограничения выходного тока, что очень удобно при проверке и ремонте радиоэлектроных устройств.
Чтобы облегчить режим работы стабилизатора 7805 (в корпусе ТО-92) и для повышения верхнего предела напряжения Uвх, последовательно с U2 установлен стабилитрон VD1. Схема регулирования тока и напряжения собрана на сдвоенном компараторе LM393. На первой половинке U3.1 собран регулятор напряжения, а на второй половинке U3.2 собран регулятор тока. На транзисторном ключе Q1 собран узел индикации включения режима ограничения выходного тока. Номинальный ток дросселя необходимо выбирать не менее тока нагрузки. Возможно пиатние слаботочной части схемы от отдельного источника напряжения с подачей его непосредственно на вход U2, при этом стабилитрон VD1 не устанавливается. Хорошо работает с низкоомной нагрузкой. Без изменения схемы, в ней можно применять импульсные стабилизаторы LM2596T-ADJ с частотой преобразования 150 кГц и диапазоном питающих напряжений 4,5-40В. Выходной ток — до 3А. КПД — до 90%.
Размеры печатной платыы блока питания 72х52 мм, расстояние между осями переменных резисторов 30 мм.:
Видео работы стабилизатора (без слов) приведено ниже. Поскольку сборка и проверка устройства велась в г. Донецке в то время, когда за окном рвались снаряды, то не было никакой охоты ничего рассказывать. Да и собирать его не хотелось, но нужно было как-то отвлечься от действительности. Надеюсь Вы меня поймёте.
Стоимость печатной платы с маской и маркировкой: закончились
Стоимость набора деталей с печатной платой для сборки блока питания (без радиатора): временно нет в наличии
Стоимость собранной и проверенной платы блока питания (без радиатора): временно нет в наличии
Краткое описание, схема и перечень компонентов набора здесь >>>
Для покупки печатных плат, наборов для сборки и готовых собранных блоков обращайтесь сюда >>> или сюда >>>
Всем удачи, мирного неба, добра, 73!
Последние статьи
03.07.2023
Гальванические ванны: технология и применение
22.06.2023
Changan: Ведущий китайский автомобильный бренд с глобальной репутацией
20.06.2023
Дизайн объекта под ключ: создание пространства, отражающего ваш стиль
15.06.2023
Мягкие стеновые панели и кровати: создание комфортного интерьера
15.06.2023
Системы очистки воды для коттеджей: Обеспечение чистой и безопасной воды для вашего дома
12.06.2023
Благоустройство могил: Сохранение памяти и уважение к ушедшим
11.06.2023
Подсветка и сохранение исторических зданий
08.06.2023
Пластиковые трубы и фитинги: эффективное решение для различных областей применения
Все статьи
Обзор производителей
Различные торговые точки могут предложить довольно широкий ассортимент инверторов-преобразователей напряжения 12-220 В. Инверторы выпускаются в различных странах — большинство из них производится в Китае, но это совсем не значит что они плохого качества. Ведь многие известные бренды из-за высокой конкуренции стремятся снизить себестоимость своей продукции, поэтому и переносят свои производственные мощности на территорию Китая.
Изучая предлагаемые рынком модели можно обратить внимание, что некоторые изделия имеют одинаковые характеристики, но при этом значительно различаются в цене. Связанно это с использованием той или иной радиоэлементной базы. Устройства, соответствующие заявленным характеристикам, собранные на качественной элементной базе и оборудованные необходимой защитой, надёжны в эксплуатации, поэтому стоят дороже
Устройства, соответствующие заявленным характеристикам, собранные на качественной элементной базе и оборудованные необходимой защитой, надёжны в эксплуатации, поэтому стоят дороже.
Наиболее популярными брендами являются:
- Wenchi. Тайваньский производитель радиоэлектронного оборудования. Присутствует на рынке уже более 23 лет. Его продукция сертифицирована во многих странах мира, включая Россию. Компания имеет свою лабораторию, в которой проводится испытание приборов и внедрение в их работу новых технологий. Спросом пользуются модели INS-1000W-12 и INS-200W-12.
- Mean Well. Ведущий разработчик импульсных блоков питания. Фирма постоянно модернизирует и расширяет ассортимент своей продукции. Хорошие технические характеристики и демократичная цена позволяют каждому покупателю выбрать оптимальное оборудование этой марки. Популярными моделями являются: A301−2K5-F3 PBF, A301−150-F3, TN-1500−212B.
- Gembird. Основанная в Голландии в 1997 году компания стала лидером в производстве компьютерной периферии источников питания. Хотя цех по производству инверторов находится в Китае, продукция проходит тщательный контроль и соответствует международным стандартам. Сервисные центры фирмы расположены во многих странах, что позволяет довольно быстро получить качественную помощь. Потребители часто выбирают инверторы серии Gembird I.
- Robiton. Российская компания, специализирующая на производстве элементов питания. Её продукция соответствует требованиям безопасности Европейского союза. На все свои изделия фирма предоставляет три года гарантии. Повышенным спросом пользуются модели R300 и R500.
Вам это будет интересно Источники бесперебойного питания (ИБП) для компьютеров
Как работает инвертор
Основа автомобильного инвертора – генератор с широтно-импульсной модуляцией (ШИМ)
Это устройство работает от аккумулятора 12 вольт и выдает прямоугольные импульсы (меандр) с изменяемой скважностью (соотношением времени наличия/отсутствия напряжения). Когда скважность равна единице, инвертор обеспечивает максимальный ток
Чем меньше скважность, тем соответственно, меньше ток. При этом напряжение на выходе всегда соответствует значению 220 вольт. Частота работы генератора от 50 килогерц до 5 мегагерц, в зависимости от схемы и деталей. Превращение высокочастотного напряжения в низкочастотное (50 герц) происходит с помощью сглаживания меандра в колебательном контуре, образованном трансформатором и конденсатором, а также фильтрации гармоник. Ведь генератор ШИМ не только создает переменное напряжение 220 вольт с высокой частотой, но благодаря меняющемуся изменению скважности, модулирует выходное напряжение синусоидальным сигналом с частотой 50 герц.
Когда инвертор работает без нагрузки, скважность сигналов ШИМ-генератора минимальна, а напряжение на выходе составляет 220в. Подключение нагрузки приводит к увеличению тока и падению напряжения на выходе устройства ниже 220v
Система обратной связи сравнивает выходное напряжение с заданным стандартом, после чего подает на генератор сигнал, увеличивающий скважность импульсов. Благодаря этому возрастает выходная мощность, поднимается напряжение. При отключении нагрузки выходное напряжение поднимается выше 220 вольт, после чего система обратной связи снижает скважность импульсов до тех пор, пока напряжение не придет в норму. Изменение скважности и выходного тока приводит к увеличению нагрузки на аккумулятор, поэтому его напряжение нередко опускается ниже 12 вольт. В этом случае схема с обратной связью еще больше увеличивает скважность, вплоть до единицы.
Нередко преобразователь, сделанный своими руками, в котором не предусмотрена обратная связь, реагирует на подключение к разряженному аккумулятору снижением выходного напряжения. Поэтому они не очень подходят для питания усилителя или ноутбука, но вполне смогут обеспечить функционирование устройств с реактивной нагрузкой – ручной электроинструмент, лампы, кипятильники.
Выбор схемы
В интернете выложено огромное количество схем устройств, преобразующих энергию автомобильного аккумулятора (12 вольт) в переменное напряжение 220 вольт и пригодных для изготовления своими руками. Поэтому выбирать схему необходимо, ориентируясь на доступ к элементной базе и опыт работы с такими устройствами. Если неподалеку от вас есть магазин радиодеталей, то вы можете узнать у них, какие контроллеры и силовые транзисторы наиболее доступны и уже под них подобрать наиболее подходящую схему. Также можно воспользоваться теми деталями, которые есть в любом блоке питания компьютера. Оттуда вы сможете взять:
- контроллер (ШИМ-генератор);
- ферритовое кольцо для трансформатора;
- силовые транзисторы;
- конденсаторы;
- резисторы;
- фильтрующие дроссели.
Если вы не уверены в том, что сможете своими руками сделать сложное устройство с обратной связью, собирайте инвертор 12 → 220 вольт на основе мультивибратора на 50 герц. Трансформатор для него можно снять со старого транзисторного телевизора или источника бесперебойного питания (UPS). Такой инвертор занимает гораздо больше места, чем высокочастотное устройство, однако он проще в настройке, да и детали для него найти легче.
Пример схемы
Детали схемы преобразователя 12 – 220 вольт
Обмотка дросселя L1 выполнена на ферритовом кольце имеющее диаметр 28мм. Она намотана проводом ПЭЛ-2 0,6мм одним слоем до полного заполнения кольца. Трансформатор Т1 представляет из себя сетевой трансформатор на 220 вольт (мощностью не менее 100Вт) у которого две вторичные обмотки по 9В каждая.
Следует обратить внимание, что низковольтную часть автомобильного преобразователя можно выполнить на печатной плате, а высоковольтную (транзисторы, трансформатор, цепь питания, дроссель, стабилитроны) обязательно объемным монтажом (проводами достаточного сечения). Интегральную микросхему СD4001 можно поменять на К561ЛЕ5, а СD4013 применить отечественный аналог К561ТМ2. Стабилитрон VD1 на напряжение от 5…7 вольт, может быть Д814А, КС156, КС168. Стабилитроны VD2 и VD3 большой мощности BZX85-33V или КС533. Конденсатор C4 на напряжение не ниже 100В, остальные могут быть на 15 вольт. Стабилитрон VD1 на напряжение от 5…7 вольт, может быть Д814А, КС156, КС168. Стабилитроны VD2 и VD3 большой мощности BZX85-33V или КС533. Конденсатор C4 на напряжение не ниже 100В, остальные могут быть на 15 вольт
Стабилитрон VD1 на напряжение от 5…7 вольт, может быть Д814А, КС156, КС168. Стабилитроны VD2 и VD3 большой мощности BZX85-33V или КС533. Конденсатор C4 на напряжение не ниже 100В, остальные могут быть на 15 вольт.
При рабочих деталях и верном монтаже автомобильный преобразователь не требует настройки. Можно лишь подстроить резистором R1 частоту выходного переменного тока.
Распространенные схемы
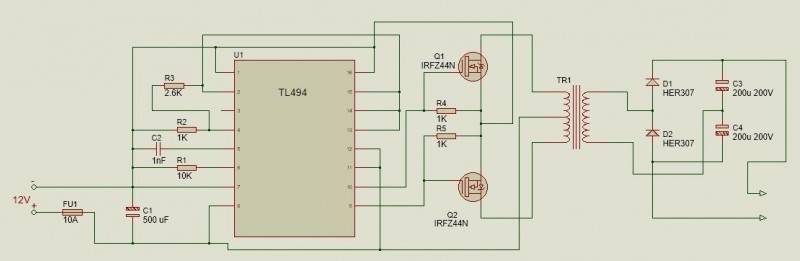
Простой импульсный преобразователь
Схема этого устройства очень проста, а большинство деталей могут быть извлечены из ненужного блока питания компьютера. Конечно, у нее есть и ощутимый недостаток – получаемое на выходе трансформатора напряжение 220 вольт далеко по форме от синусоидального и имеет частоту значительно больше, чем принятые 50 Гц. Напрямую подключать к нему электродвигатели или чувствительную электронику нельзя.

Для того, чтобы иметь возможность подключать к этому инвертору содержащую импульсные блоки питания технику (например, блок питания ноутбука), применено интересное решение – на выходе трансформатора установлен выпрямитель со сглаживающими конденсаторами. Правда, работать подключенный адаптер сможет только в одном положении розетки, когда полярность выходного напряжения совпадет с направлением встроенного в адаптер выпрямителя. Простые потребители типа ламп накаливания или паяльника можно подключать непосредственно к выходу трансформатора TR1.
Основа приведенной схемы – это ШИМ-контроллер TL494, наиболее распространенный в таких устройствах. Частоту работы преобразователя задают резистор R1 и конденсатор C2, их номиналы можно брать несколько отличающимися от указанных без заметного изменения в работе схемы.
Для большей эффективности схема преобразователя включает в себя два плеча на силовых полевых транзисторах Q1 и Q2. Эти транзисторы нужно разместить на алюминиевых радиаторах, если предполагается использовать общий радиатор – устанавливайте транзисторы через изоляционные прокладки. Вместо указанных на схеме IRFZ44 можно использовать близкие по параметрам IRFZ46 или IRFZ48.
Выходной дроссель наматывается на ферритовом кольце от дросселя, также извлекаемого из компьютерного блока питания. Первичная обмотка мотается проводом диаметром 0,6 мм и имеет 10 витков с отводом от середины. Поверх нее наматывается вторичная обмотка, содержащая 80 витков. Также можно взять выходной трансформатор из сломанного источника бесперебойного питания.
Вместо высокочастотных диодов D1 и D2 можно взять диоды типов FR107, FR207.
Так как схема очень проста, после включения при правильном монтаже она начнет работать сразу и не потребует никакой настройки. Отдавать в нагрузку она сможет ток до 2,5 А, но оптимальным режимом работы будет ток не более 1,5 А – а это более 300 Вт мощности.
Готовый инвертор такой мощности стоил бы порядка трех-четырех тысяч рублей.
Схема преобразователя с выходом переменного тока
Эта схема выполнена на отечественных комплектующих и достаточно стара, но это не делает ее менее эффективной. Главное ее достоинство – это получение на выходе полноценного переменного тока с напряжением 220 вольт и частотой 50 Гц.

Здесь генератор колебаний выполнен на микросхеме К561ТМ2, представляющей собой сдвоенный D-триггер. Она является полным аналогом зарубежной микросхемы CD4013 и может быть заменена ей без изменений в схеме.
Преобразователь также имеет два силовых плеча на биполярных транзисторах КТ827А. Их главный недостаток по сравнению с современными полевыми – это большее сопротивление в открытом состоянии, из-за чего нагрев при той же коммутируемой мощности у них сильнее.
Так как преобразователь работает на низкой частоте, трансформатор должен иметь мощный стальной сердечник. Автор схемы предлагает использовать распространенный советский сетевой трансформатор ТС-180.
Как и другие инверторы на основе простых ШИМ-схем, этот преобразователь имеет на выходе достаточно отличающуюся от синусоидальной форму напряжения, но это несколько сглаживается большой индуктивностью обмоток трансформатора и выходным конденсатором С7. Также из-за этого трансформатор во время работы может издавать ощутимый гул – это не является признаком неисправности схемы.
Простой инвертор на транзисторах
Этот преобразователь работает по тому же принципу, что и перечисленные выше схемы, но генератор прямоугольных импульсов (мультивибратор) в нем построен на биполярных транзисторах.

Особенность этой схемы в том, что она сохраняет работоспособность даже на сильно разряженном аккумуляторе: диапазон входных напряжений составляет 3,5…18 вольт. Но, так как в ней отсутствует какая-либо стабилизация выходного напряжения, при разрядке аккумулятора будет одновременно пропорционально падать и напряжение на нагрузке.
Так как эта схема также является низкочастотной, трансформатор потребуется аналогичный используемому в инверторе на основе К561ТМ2.
Назначение и принцип работы
Что такое преобразователь напряжения. Так называют электронный прибор, изменяющий величину входного сигнала. Он может использоваться в качестве устройства, повышающего или понижающего его значение. Входное напряжение после преобразования может изменить как свою величину, так и частоту. Такие устройства, изменяющие постоянное напряжение (преобразовывающие его) в выходной сигнал переменного тока, получили название инверторов.
Преобразователи напряжения находят применение как в виде автономного устройства, питающего потребителей энергией переменного тока, так и могут входить в состав других изделий: систем и источников бесперебойного питания, устройств повышения постоянного напряжения до необходимой величины.
Инверторы представляют собой генераторы напряжения гармонических колебаний. Источнику постоянного тока с помощью специальной схемы управления создается режим периодического переключения полярности. В результате на выходных контактах устройства, к которым подключена нагрузка, формируется сигнал переменного напряжения. Его величину (амплитуду) и частоту определяют элементы схемы преобразователя.
Управляющее устройство (контроллер) задает частоту переключения источника и форму выходного сигнала, а его амплитуду определяют элементы выходного каскада схемы. Они рассчитаны на максимальную мощность, которую потребляет нагрузка в цепи переменного тока.
Контроллер используется и для регулирования величины выходного сигнала, которое достигается управлением длительностью импульсов (увеличение или уменьшение их ширины). Информация об изменениях величины выходного сигнала на нагрузке поступает в контроллер по цепи обратной связи, на основании которой в нем формируется управляющий сигнал на сохранение необходимых параметров. Этот метод называется ШИМ (широтно-импульсной модуляцией) сигналов.
В схемах силовых выходных ключей преобразователя напряжения 12В могут использоваться мощные составные биполярные транзисторы, полупроводниковые тиристоры, полевые транзисторы. Схемы контроллеров выполняются на микросхемах, представляющих собой уже готовые к работе устройства с необходимыми функциями (микроконтроллеры), специально разработанных для таких преобразователей.
Схема управления обеспечивает последовательность работы ключей для обеспечения на выходе инвертора сигнала, необходимого для нормальной работы устройств потребителя. Кроме того, управляющая схема должна обеспечивать симметрию полуволн выходного напряжения
Это особенно важно для схем, в которых на выходе используются повышающие импульсные трансформаторы. Для них недопустимо появление постоянной составляющей напряжения, которая может появиться при нарушении симметрии. Существует много вариантов построения схем инверторов напряжения (ИН), но выделяют из них 3 основные:
Существует много вариантов построения схем инверторов напряжения (ИН), но выделяют из них 3 основные:
- ИН бестрансформаторный мостовой;
- трансформаторный ИН с нулевым проводом;
- мостовая схема с трансформатором.
Каждая из них находит применение в своей области в зависимости от примененного в нем источника питания и требуемой выходной мощности для питания потребителей. В каждой из них должны быть предусмотрены элементы защиты и сигнализации.
Защита от понижения и повышения напряжения источника постоянного тока определяет диапазон работы инверторов “по входу”. Защита от повышенного и пониженного выходного переменного напряжения необходима для нормальной работы оборудования потребителя. Диапазон срабатывания устанавливается в соответствии с требованиями используемой нагрузки. Эти виды защиты обратимые, то есть при восстановлении параметров оборудования до нормы работа может быть восстановлена.
При срабатывании защиты вследствие короткого замыкания в нагрузке или чрезмерного возрастания выходного тока перед тем, как продолжить эксплуатацию оборудования, необходим тщательный анализ причин этого события.
Преобразователь 12В является наиболее приемлемым для создания локальной электросети. Наличие большого количества автомобилей и аккумуляторных батарей 12В постоянного тока позволяет их использовать для обеспечения запросов пользователей. Такие сети можно создавать в самых различных местах, начиная от собственного авто. Они мобильны и не зависят от места стоянки.
Как из 220 вольт сделать 12 вольт самостоятельно
Проще всего сделать аналоговое устройство на базе трансформатора вида тор. Такое устройство несложно выполнить самостоятельно. Для этого понадобится любой трансформатор с первичной обмоткой, рассчитанной на 220 вольт. Вторичная обмотка рассчитывается согласно несложным формулам или подбирается практическим путём.
Для подбора может понадобиться:
- прибор для измерения напряжения;
- изолирующая лента;
- киперная лента;
- медная проволока;
- паяльник;
- инструмент для разборки (кусачки, отвёртки, плоскогубцы, нож и т. п. ).
В первую очередь необходимо определить, с какой стороны переделываемого трансформатора расположена вторичная обмотка. Аккуратно снять защитный слой для получения к ней доступа. Используя тестер, измерить напряжение на выводах.
В случае меньшего напряжения к любому из концов обмотки допаять проволоку, тщательно заизолировав место соединения. Используя эту проволоку сделать десять витков и опять измерить напряжение. В зависимости от того насколько увеличилось напряжение и рассчитать дополнительное количество витков.
В случае если напряжение превышает требуемое, делаются обратные действия. Отматываются десять витков, измеряется напряжение и рассчитывается, сколько их необходимо их убрать. После этого лишний провод обрезается и запаивается на клемму.
По окончании работ трансформатор собирается в обратной последовательности. Если все правильно рассчитано, то получится преобразователь из 220 в 12 вольт переменного напряжения. Для получения постоянного напряжения необходимо добавить выпрямитель. Это простейшее электронное устройство, состоящее из диодного моста и конденсатора. Используя свойства диодов, напряжение выпрямляется, а с помощью конденсатора убираются паразитные влияния.
Следует отметить, что при использовании диодного моста выходная разность потенциалов поднимется на величину, равную произведению переменного напряжения и величины 1.41.
Главным преимущество трансформаторного преобразования является простота и высокая надёжность. А недостатком — габариты и вес.
Самостоятельная сборка импульсных инверторов возможна только при хорошем уровне подготовке и знаний электроники. Хотя можно купить готовые наборы КИТ. Такой набор содержит печатную плату и электронные компоненты. В набор также входит электрическая схема и чертёж с подробным расположением элементов. Останется только всё аккуратно распаять.
Используя импульсную технологию, можно сделать и преобразователь с 12 на 220 вольт. Что очень полезно при использовании в автомобилях. Ярким примером может служить источник бесперебойного питания, сделанный из стационарного оборудования.





































